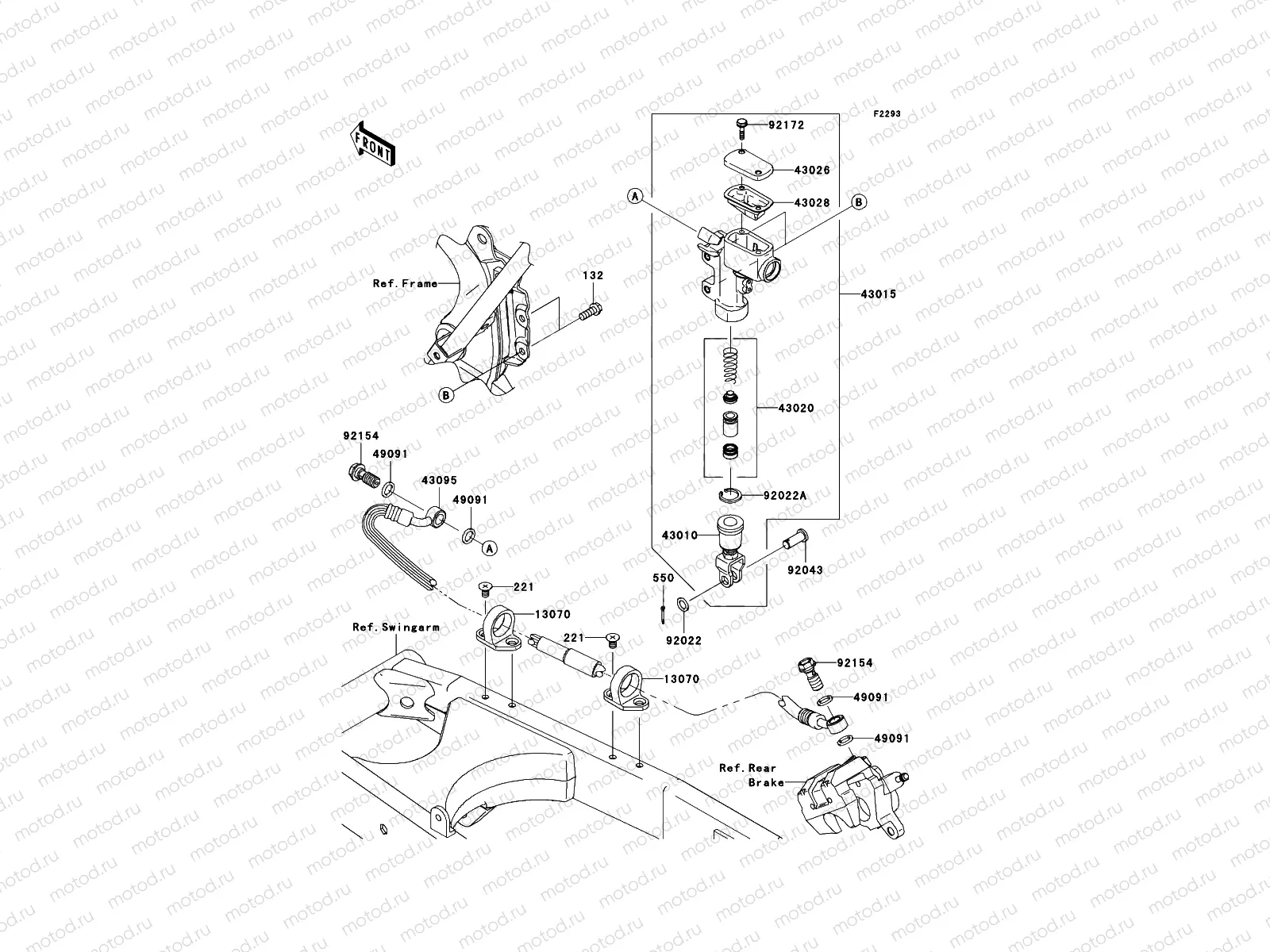
Rear Master Cylinder

Rear Master Cylinder
132
132BA-0616
5 pc - Vis
80 ₽
221
221AA-0610
SCREW-CNTSNK HD,6X10
97 ₽
550
550AA-2015
PIN-COTTER,2.0X15
77 ₽
13070
13070-1144
GUIDE,HOSE
546 ₽
43010
43010-0006
ROD-ASSY-BRAKE
3 406 ₽
43015
43015-0099
Brake hydraulic pump
Цена по
запросу
43020
43020-1094
PISTON-COMP, BRAKE
4 180 ₽
43026
43026-0008
CAP-BRAKE
900 ₽
43028
43028-1092
DIAPHRAGM
1 252 ₽
43095
-
No-Part
Цена по
запросу
49091
49091-0001
WASHER-SEAL,10.1X14.5X1.
119 ₽
92022
92022-1028
Rondelle (8.5x13x1)
223 ₽
92022
92033-0079
RING-SNAP,20.9X24.6X1.2
342 ₽
92043
92043-0004
PIN
565 ₽
92154
92154-4239
BOLT,OIL,L=23
Цена по
запросу
92172
92172-0286
Vis
113 ₽

Узлы для