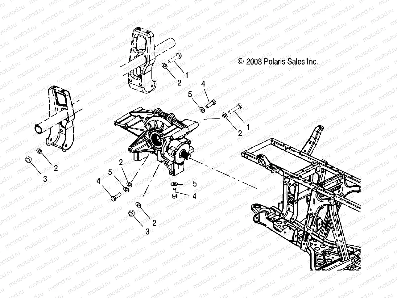
REAR GEARCASE MOUNTING - A03CH68AA/AC/AF/AH/AL (4987468746D02) | REAR GEARCASE MOUNTING - A03CH68AA/AC/AF/AH/AL (4987468746D02)

REAR GEARCASE MOUNTING - A03CH68AA/AC/AF/AH/AL (4987468746D02) | REAR GEARCASE MOUNTING - A03CH68AA/AC/AF/AH/AL (4987468746D02)
1
7517878
SCREW-3/8-16 6.75 HXCS GR5 ZY3
Цена по
запросу
2
7555806
WASHER FLAT
Цена по
запросу
3
7547008
NUT FLEXLOCK
Цена по
запросу
4
7512492
Vis
Цена по
запросу
5
7552603
Rondelle (Lock)
Цена по
запросу

Узлы для