REAR CAB and SEAT - A00CH33AA (4957715771A005) | REAR CAB and SEAT - A00CH33AA (4957715771A005)

REAR CAB and SEAT - A00CH33AA (4957715771A005) | REAR CAB and SEAT - A00CH33AA (4957715771A005)
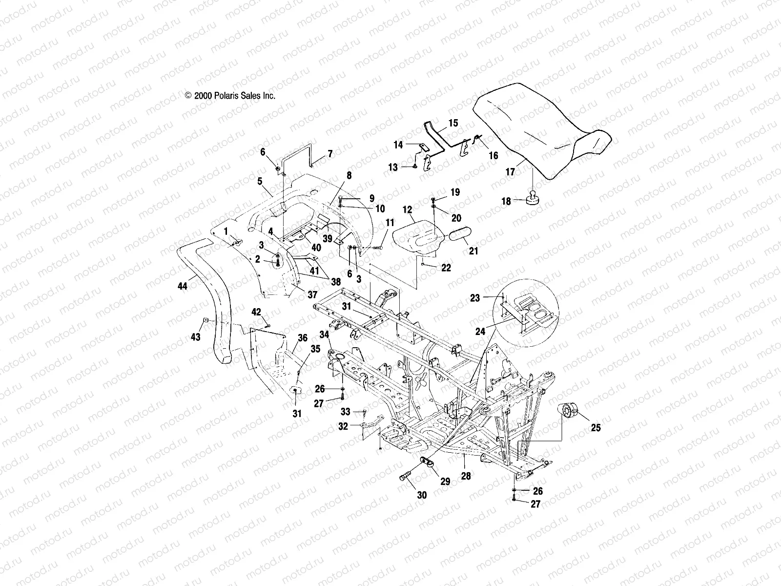
1
7661645
RIVET
Цена по
запросу
2
7511930
Vis
Цена по
запросу
3
7555792
Rondelle
Цена по
запросу
4
5811107
FOIL REAR
Цена по
запросу
5
5432117-293
CAB-REAR GEN 4 INDY RED
Цена по
запросу
5
5432117-400
CAB-REAR CAMO GREEN MET
Цена по
запросу
6
7541925
NUT NYLOK 10-24 Y
Цена по
запросу
7
5224592
RETAINER SEAT LATCH
Цена по
запросу
8
5811308
FOIL TAPE 3 X 12
Цена по
запросу
9
7512242
Vis
Цена по
запросу
10
7555859
WASHER FLAT
Цена по
запросу
11
7519641
BLT-10-24X3/4 MACHSCR PHL PAN
Цена по
запросу
12
5431786
TOOLBOX
Цена по
запросу
13
7621403
BLIND RIVET
Цена по
запросу
14
5211033
BRACKET LEVER RETAINER
Цена по
запросу
15
1040387
LATCH SEAT
Цена по
запросу
16
7041370
SPRING LATCH
Цена по
запросу
17
5811105
FOIL,SEATBASE,SM.
Цена по
запросу
17
2684055
ASM-COVER TBOSS WHITE DECAL
Цена по
запросу
17
2683222-070
ASM-SEAT BLK
Цена по
запросу
17
5811104
FOIL SEATBASE LG.
Цена по
запросу
18
5410414
BUMPER RUBBER
Цена по
запросу
19
7512130
Vis
Цена по
запросу
20
7555748
Rondelle
Цена по
запросу
21
5431787
COVER TOOLBOX
Цена по
запросу
22
5410896
CAP DRAIN
Цена по
запросу
23
7661638
RIVET INTERLOCK B
Цена по
запросу
24
5241403-067
GUARD-CLUTCH, BLK
Цена по
запросу
25
LR--
CALIPER, BRAKE, RH
Цена по
запросу
26
7552603
Rondelle (Lock)
Цена по
запросу
27
7512492
Vis
Цена по
запросу
28
1040699-067
FRAME MAIN BLK.
Цена по
запросу
29
7080653
CLAMP HOSE 1 NYLON
Цена по
запросу
30
7512024
Vis
Цена по
запросу
31
7542122
NUT-NYLOK
Цена по
запросу
32
5432280
SPACER FOOTWELL
Цена по
запросу
33
7517377
Vis
Цена по
запросу
34
7072533
"""DECAL HITCH"""
Цена по
запросу
35
7512279
Vis
Цена по
запросу
36
5432221-070
FOOTWELL LH BLK NYLON
Цена по
запросу
36
5433219-070
FOOTWELL-NYLON RH BLK
Цена по
запросу
37
5811111
FOIL
Цена по
запросу
38
5811106
FOIL FRONT
Цена по
запросу
39
7073761
DECAL CARB.INFO.
Цена по
запросу
40
7077446
DECAL,FILT.ELEMENT,4-S
Цена по
запросу
41
5811087
FOIL (6X1)
Цена по
запросу
42
7512232
Vis
Цена по
запросу
43
7670057
NUT SPEED
Цена по
запросу
44
5431797-070
GUARD-MUD REAR RH BLK
Цена по
запросу
44
5431796-070
GUARD-MUD REAR LH BLK
Цена по
запросу

Узлы для