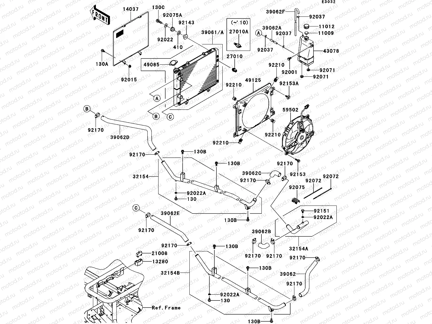
Radiator

Radiator
130
130BB-0610
5 pc - Vis
113 ₽
130
130BB-0612
5 pc - Vis
113 ₽
130
130BB-0614
Vis
113 ₽
130
130BB-0825
Vis
155 ₽
410
410AB-1200
WASHER-PLANE-SMALL,12
113 ₽
11009
11009-1145
Gasket
193 ₽
11012
11065-0969
CAP
289 ₽
13280
13280-0082
HOLDER,BREAKER
14037
14037-7506
SCREEN
21008
21008-0005
BREAKER,FAN MOTOR
27010
27010-0125
SWITCH,FAN
32154
32154-7503
PIPE
32154
32154-7608
PIPE
32154
32154-7610
PIPE
39061
39061-0205
Radiateur - refroidisseur d’eau
39062
39062-0032
Durite radiateur
39062
39062-0266
HOSE-COOLING,5.5X10.5X65
39062
39062-7503
Durite radiateur
39062
39062-7504
Durite radiateur
39062
39062-7505
Durite radiateur
39062
39062-7506
Durite radiateur
39062
39062-7507
HOSE-COOLING,DRAIN
43078
43078-0062
RESERVOIR
49085
49085-7501
CAP-ASSY-PRESSURE
49125
49125-0035
SHROUD
59502
59502-7501
FAN-ASSY
92001
92001-1860
BOLT,W/P,6X16
257 ₽
92015
92210-1514
Nut (6 mm)
289 ₽
92022
92022-1317
WASHER,8.5X20X1.6,BLA
257 ₽
92022
92022-304
10 pc - WASHER,PLAIN
241 ₽
92037
92037-147
Collier
387 ₽
92071
92071-1115
Damper
312 ₽
92072
92072-1239
BAND,L=188
92075
92075-1806
Damper (Fuel tank)
562 ₽
92075
92075-294
Damper
257 ₽
92143
92143-1946
Entretoise
369 ₽
92151
92151-1832
Vis (6x10)
92153
92153-7505
Vis
92153
92153-7506
Vis
92170
92171-0179
Collier
671 ₽
92210
92210-1331
Nut

Узлы для