Optional Parts

Optional Parts
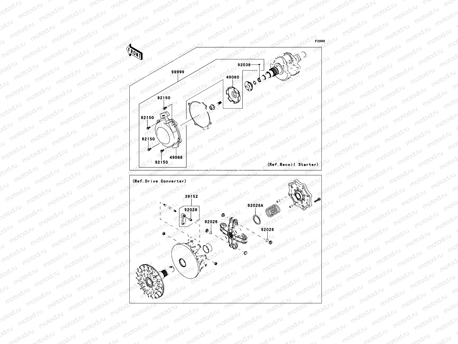
39152
39152-1088
WEIGHT-RAMP
Цена по
запросу
49080
49080-1057
PULLEY-STARTING
Цена по
запросу
49088
49088-1056
STARTER-RECOIL
Цена по
запросу
92026
92026-0038
SPACER,T=0.1
Цена по
запросу
92026
92026-1603
SPACER,39X49.5X1.0
Цена по
запросу
92028
92028-1973
BUSHING
Цена по
запросу
92038
92038-1051
KEY,SUNK
Цена по
запросу
92150
92150-1916
Vis (6x14)
177 ₽
99999
99999-0244
KIT.,RECOIL STARTER
Цена по
запросу

Узлы для