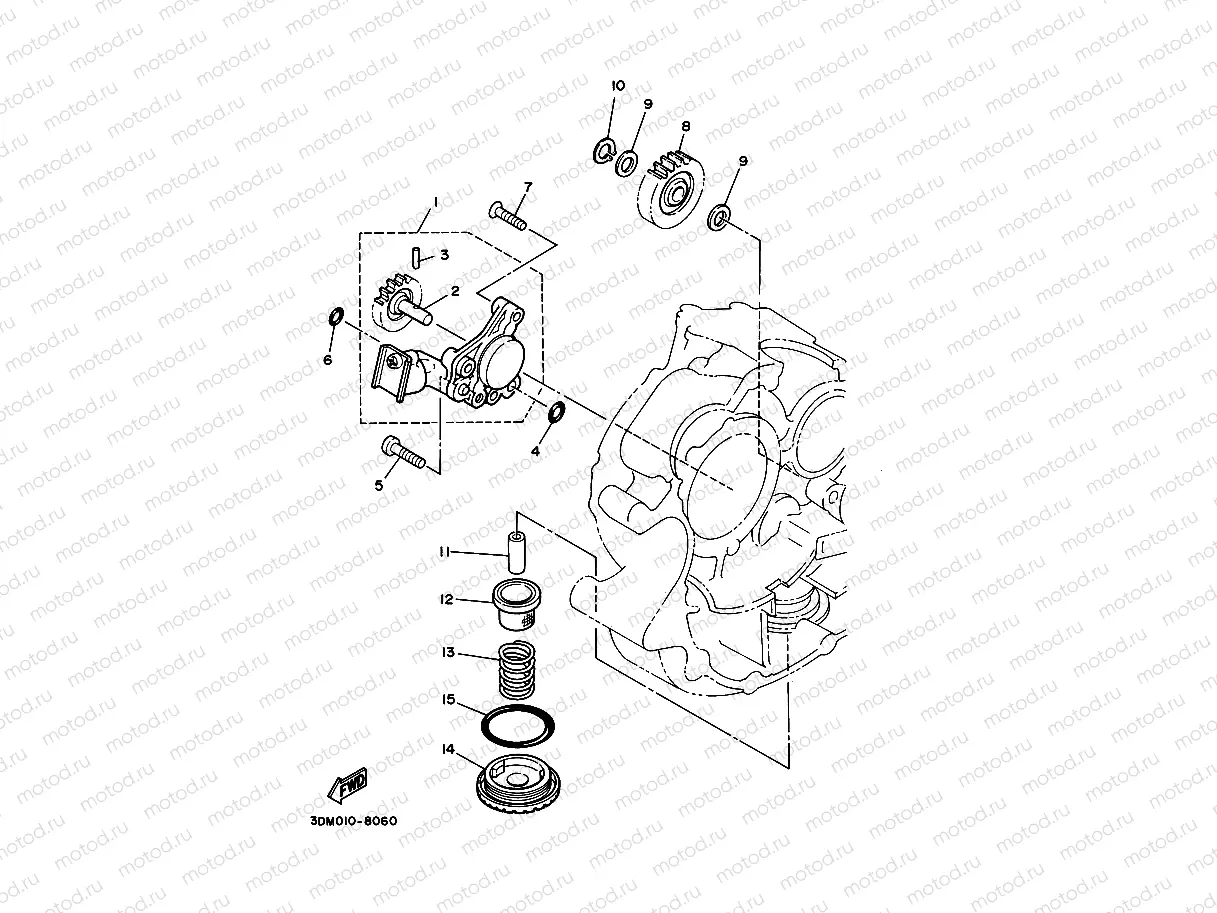
МАСЛЯНЫЙ НАСОС для XV125S VIRAGO (5AJC) 1999 YAMAHA Virago XV 125 (VIN: 5AJ)

OLPUMPE
1
2UJ-13300-10
OIL PUMP ASSY
14 357 ₽
2
3Y6-13326-10
GEAR, PUMP DRIVEN 2
1 399 ₽
3
93603-12030
Втулка
191 ₽
4
93210-10096
Кольцо уплотнительное
175 ₽
5
98517-06025
Винт
127 ₽
6
93210-06245
Кольцо уплотнительное
175 ₽
7
98707-06025
Винт
152 ₽
8
2UJ-13341-00
Шестерня, масляного насоса
1 542 ₽
9
90201-10119
Шайба
152 ₽
10
99009-10400
Кольцо стопорное
159 ₽
11
2XK-13416-00
Трубка
429 ₽
12
5YP-E3411-00
Фильтр масляный
254 ₽
13
90501-18576
Пружина
175 ₽
14
4HC-15351-00
Пробка
1 764 ₽
15
93210-347A1
Кольцо уплотнительное
175 ₽

Узлы для