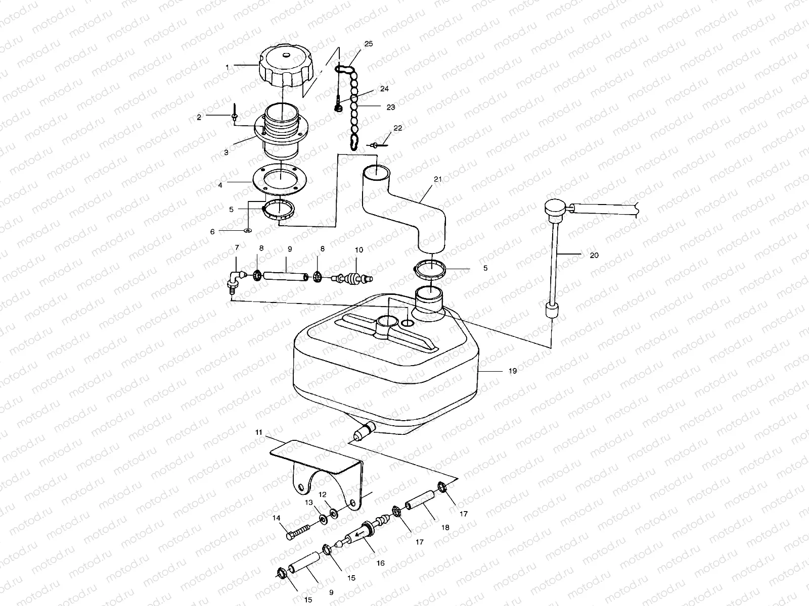
OIL TANK - W004699D (4955765576A013) | OIL TANK - W004699D (4955765576A013)

OIL TANK - W004699D (4955765576A013) | OIL TANK - W004699D (4955765576A013)
1
5432843
CAP,OILTANK
2
7621511
RIVET
3
5433601
INLET-OIL
4
5811554
GASKET,OIL INLET
5
7080772
CLAMP,HOSE, SS.
6
7556029
BURR,RIVET [No Longer Available]
7
7052130
ELBOW,90 DEG.
8
7080476
CLAMP HOSE S.S.
9
8450003-1525
LINE FUEL 1/4 ID(1525 CM.)
10
7052118
VALVE,VACUUM CHECK
11
5211866
PLATE,MT,TANK,OIL
12
7555961
Rondelle (Lock)
13
7555836
Rondelle
14
7515143
SCREW, S.S.(10)
15
7080307
CLAMP HOSE
16
2530015
Filtre à huile
17
7080474
CLAMP HOSE
18
8450059-150
FUEL LINE
19
5432768
TANK OIL (SL2)
20
2410079
SENDER ASM,OIL LEVEL
21
5433636
HOSE,FILL,OIL
22
7621229
RIVET
23
7080710
CHAIN,BEAD,FUELCAP RETAIN.
24
7517241
SCREW, SS.
25
7080442
COUPLING END

Узлы для