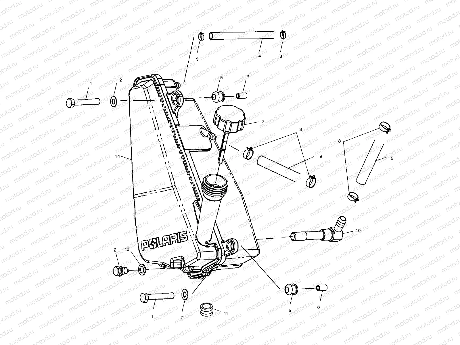
OIL TANK - A03CH42AA/AB/AC (4975417541B13) | OIL TANK - A03CH42AA/AB/AC (4975417541B13)

OIL TANK - A03CH42AA/AB/AC (4975417541B13) | OIL TANK - A03CH42AA/AB/AC (4975417541B13)
1
7512130
Vis
Цена по
запросу
2
7558301
WASHER FLAT
Цена по
запросу
3
7080699
CLAMP HOSE
Цена по
запросу
4
5413003
BREATHER-LINE-115 CM SLIT
Цена по
запросу
5
5410828
GROMMET MTG RESERVOIR
Цена по
запросу
6
5333204
BUSHING MTG.
Цена по
запросу
7
5434574
DIPSTICK-OIL TANK
Цена по
запросу
8
7081026
CLAMP-HOSE SPRING .81
Цена по
запросу
9
8450096-100
LINE-FUEL GOODYEAR 1/2SAE 30R
Цена по
запросу
10
7052326
SCREEN-OIL FILTER 90?
Цена по
запросу
11
5412507
Damper
Цена по
запросу
12
7051524
PLUG
Цена по
запросу
13
5850135
Rondelle
Цена по
запросу
14
1261653
WELDMENT-OIL TANK
Цена по
запросу

Узлы для