OIL PUMP - W045101CA/W045101IA (4990479047C06) | OIL PUMP - W045101CA/W045101IA (4990479047C06)

OIL PUMP - W045101CA/W045101IA (4990479047C06) | OIL PUMP - W045101CA/W045101IA (4990479047C06)
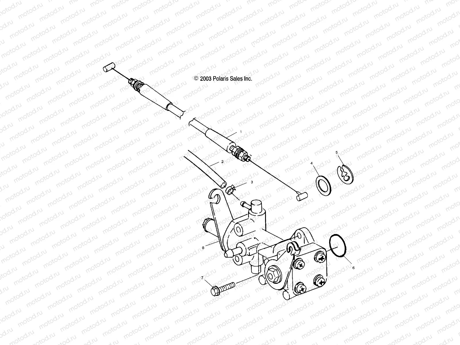
1
7081024
CABLE-OIL PUMP W/THICK NECK
Цена по
запросу
2
8450061-600
LINE FUEL 3MMX7MM
Цена по
запросу
3
7080603
Collier
Цена по
запросу
4
7555944
Rondelle
Цена по
запросу
5
7710427
RING-E RET.
Цена по
запросу
6
5411293
O-Ring
Цена по
запросу
7
7516605
Vis
Цена по
запросу
8
2540112
Pump, Oil [Incl. 6]
Цена по
запросу

Узлы для