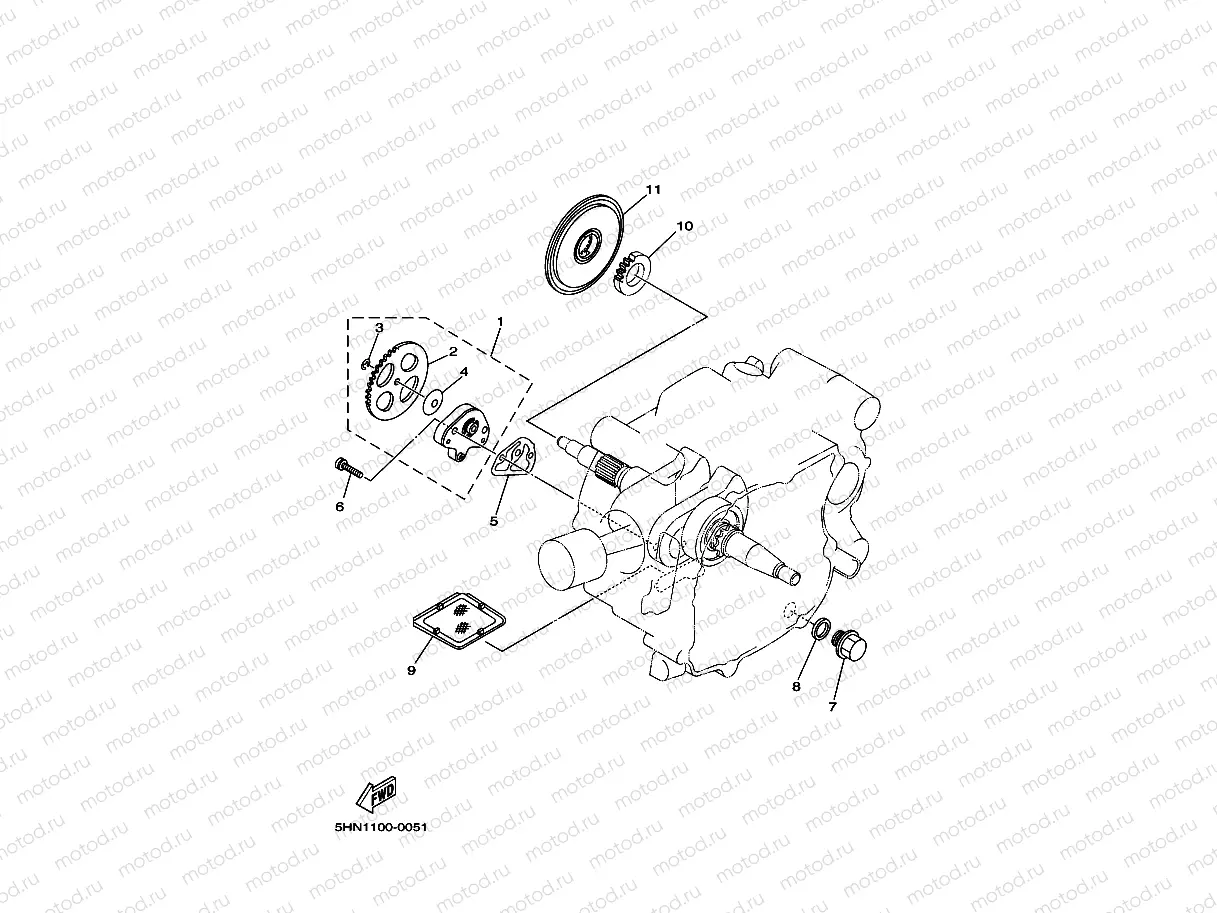
МАСЛЯНЫЙ НАСОС для TT-R90 (5HNW) 2006 YAMAHA TT-R 90 (VIN: CB03W)

OIL PUMP
1
5LM-E3300-00
Pompe à huile
Цена по
запросу
2
4GL-13325-00
ear, Pump Driven (34T)
1 498 ₽
3
99080-05600
Кольцо стопорное
159 ₽
4
90208-07052
Шайба
191 ₽
5
22F-13329-01
Прокладка
334 ₽
6
90155-06007
Винт
191 ₽
7
90340-12001
Пробка
175 ₽
8
812-11198-00
Прокладка пробки
191 ₽
9
22F-13411-01
Сетка маслозаборника
2 066 ₽
10
4GL-13324-00
ear, Pump Drive
2 162 ₽
11
4GL-13451-01
Сепаратор
5 479 ₽

Узлы для