OIL PUMP

OIL PUMP
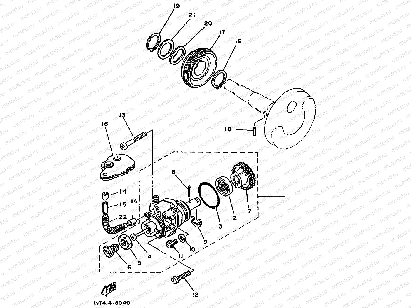
1
1NT-13101-00
Pompe à huile
Цена по
запросу
2
93101-10090
Сальник
445 ₽
3
93210-26240
Кольцо уплотнительное
191 ₽
4
384-13138-00-01
PLATE, ADJUSTING
Цена по
запросу
5
90170-10105
Гайка
175 ₽
6
90401-10029
Болт
493 ₽
7
296-13124-00
Gear, Worm Wheel
2 225 ₽
8
91690-30014
Штифт
159 ₽
9
99080-07600
Кольцо стопорное
191 ₽
10
90430-04004
Прокладка
120 ₽
11
90149-04135
Винт
191 ₽
12
98517-05020
Винт
191 ₽
13
98507-05035
Винт
152 ₽
14
90468-02033
Хомут
127 ₽
15
90445-05829
HOSE
Цена по
запросу
16
2E9-13174-00
HOLDER, OIL PIPE
Цена по
запросу
17
2GM-13178-00
Шестерня ведущего насоса
4 284 ₽
18
93603-12007
Штифт
191 ₽
19
99009-19400
Кольцо стопорное
159 ₽
20
90206-19027
Шайба пружинная
191 ₽
21
296-15644-00
Шайба
318 ₽
22
90501-06715
SPRING, COMPRESSION
Цена по
запросу

Узлы для