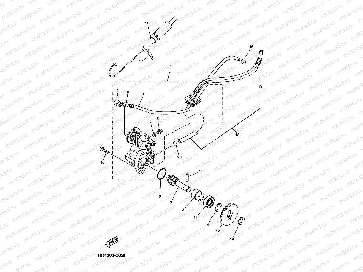
МАСЛЯНЫЙ НАСОС для DT125RE (1D03) 2005 YAMAHA DT 125 (VIN: VTLDE061)

OIL PUMP
1
3RM-13101-32
Масляная помпа
18 896 ₽
2
353-13552-01
Штуцер угловой (корпус клапана)
1 319 ₽
3
90445-056K7
Hose (L250)
218 ₽
4
90468-02033
Хомут
127 ₽
5
90149-04318
Болт
254 ₽
6
90430-04229
Прокладка
254 ₽
7
4FL-13175-00
Shaft, Worm
2 909 ₽
8
4FL-13176-00
METAL, WORM SHAFT OUTER
Цена по
запросу
9
93210-18322
Кольцо уплотнительное
175 ₽
10
98507-05014
Винт
152 ₽
11
93101-10090
Сальник
445 ₽
12
10V-13178-01
Шестерня ведущего насоса
2 782 ₽
13
93603-22028
Штифт
175 ₽
14
93430-08007
Стопор
191 ₽
15
90468-02033
Хомут
127 ₽
16
93210-07100
Кольцо уплотнительное
238 ₽
17
90468-08086
Стопор кабеля
254 ₽
18
1D0-13416-00
PIPE, OIL 1
Цена по
запросу
19
90501-08668
Трубка защитная
445 ₽
20
90467-08003
Хомут
175 ₽

Узлы для