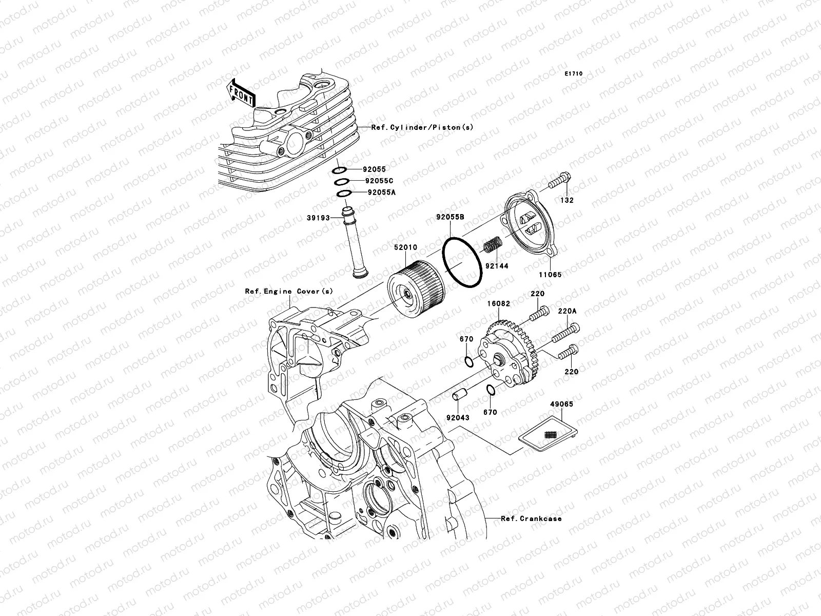
Oil Pump

Oil Pump
132
132BA-0620
5 pc - Vis
113 ₽/шт
220
220AA-0618
SCREW-PAN HEAD,6X18
97 ₽/шт
220
220AA-0630
SCREW-PAN HEAD,6X30
97 ₽/шт
670
670B1-510
O-Ring (9.8x1.9)
241 ₽/шт
11065
11065-0255
CAP
1 238 ₽/шт
16082
16082-1159
Pompe à huile
9 752 ₽/шт
39193
39193-0578
PIPE-OIL
289 ₽/шт
49065
49065-0021
FILTER-OIL
595 ₽/шт
52010
52010-1053
Filtre à huile
1 333 ₽/шт
92043
92043-1263
10 pc - Dowel pin (6.2x8x14)
134 ₽/шт
92055
92055-0061
O-Ring (9.8x1.9)
113 ₽/шт
92055
92055-0152
O-Ring (12.8x1.9)
177 ₽/шт
92055
92055-0201
O-Ring (59.6x2.4)
321 ₽/шт
92055
92055-1150
O-Ring (9.8x2.4)
491 ₽/шт
92144
92144-1892
Spring
241 ₽/шт

Узлы для