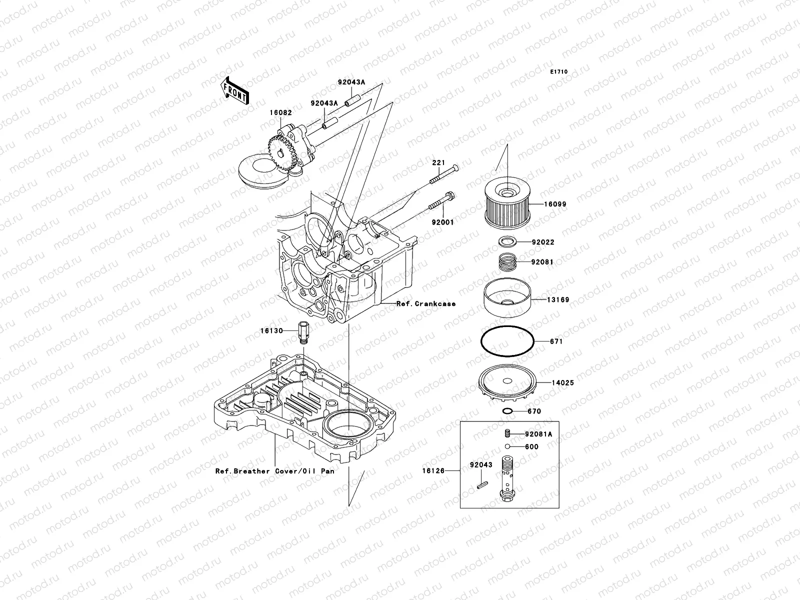
Oil Pump

Oil Pump
221
221AA-0655
pc - SCREW,COUNTERSUNK HED
128 ₽
600
600A1-200
BALL-STEEL,3/8'
89 ₽
670
670B2-016
pc - O-Ring (16 mm)
295 ₽
671
671B2-590
O-Ring
595 ₽
13169
13169-1110
PLATE,OIL FILTER
466 ₽
14025
14025-1422
COVER,OIL FILTER,BLAC
2 828 ₽
16082
16082-1158
Pompe à huile
16099
16099-003
Filtre à huile
1 250 ₽
16126
16126-1108
VALVE,OIL FILTER
2 747 ₽
16130
16130-1058
VALVE-ASSY-RELIEF
2 747 ₽
92001
92001-165
Vis
305 ₽
92022
92022-1012
Rondelle
257 ₽
92043
92043-111
SPRING PIN
312 ₽
92043
92043-1603
PIN
161 ₽
92081
92081-1018
SPRING,OIL FILTER
274 ₽
92081
92081-109
Spring
625 ₽

Узлы для