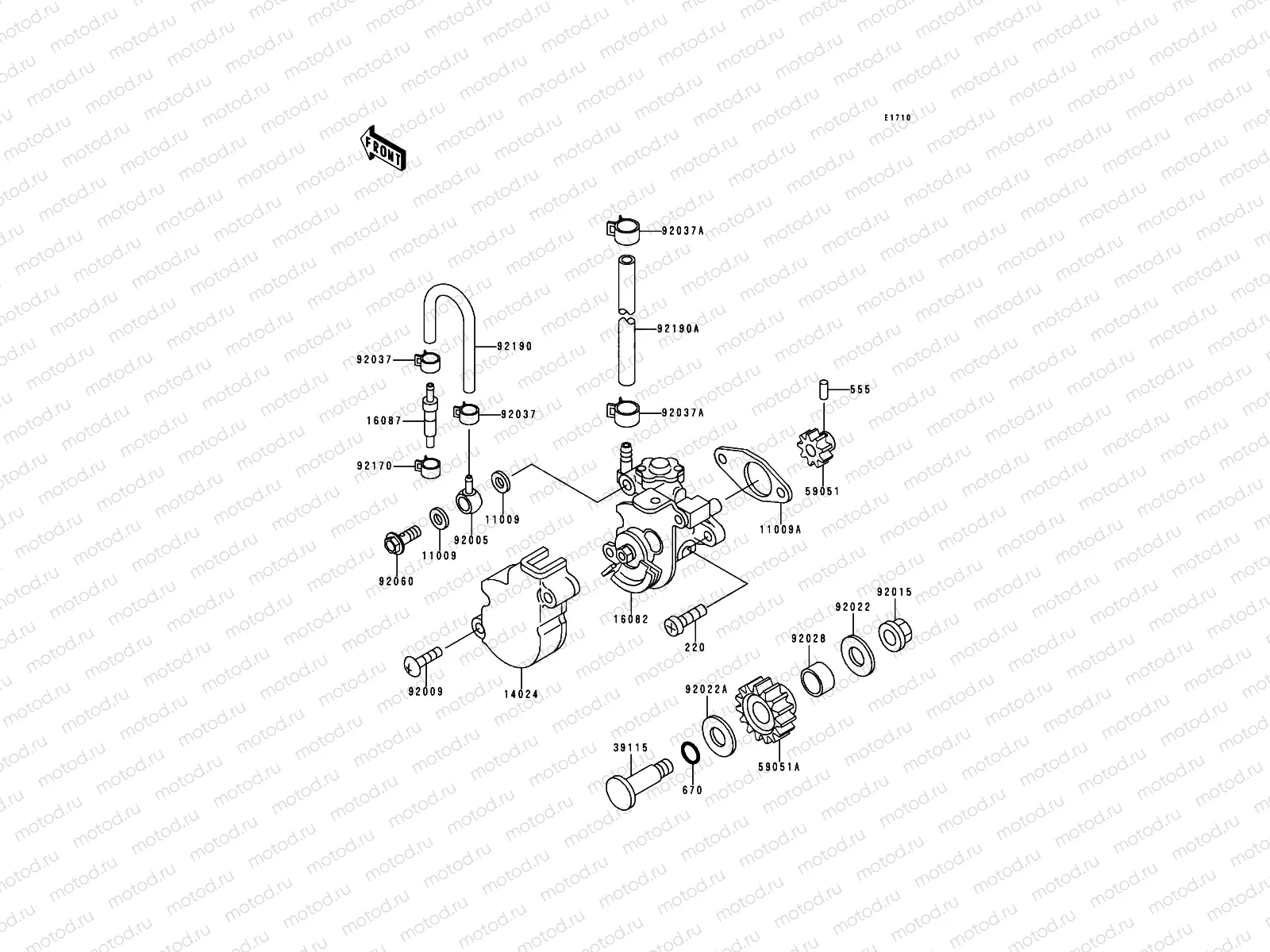
Oil Pump

Oil Pump
220
220AA-0516
SCREW-PAN-CROS
80 ₽
555
555A0-312
PIN-SPRING
225 ₽
670
670B1-507
O-Ring
238 ₽
11009
11060-1502
GASKET,6X12X1.0
338 ₽
11009
11009-1937
GASKET,OIL PUMP
321 ₽
14024
14024-1910
COVER,OIL PUMP
Цена по
запросу
16082
16082-1107
Pompe à huile
21 206 ₽
16087
16087-1001
VALVE-CHECK
1 751 ₽
39115
39115-1064
SHAFT-IDLER
Цена по
запросу
59051
59051-1226
GEAR-SPUR,OIL PUMP,9T
Цена по
запросу
59051
59051-1227
GEAR-SPUR,PUMP IDLE,1
Цена по
запросу
92005
92005-1146
FITTING
Цена по
запросу
92009
92009-1491
SCREW,5X20,WHITE
289 ₽
92015
92210-0630
Nut
97 ₽
92022
92022-1369
WASHER,6.2X18X1.2
257 ₽
92022
92022-1475
WASHER,8.5X16X0.5
274 ₽
92028
92028-1589
BUSHING,8X12X8.8
Цена по
запросу
92037
92037-1260
Collier
268 ₽
92037
92037-1601
Collier
771 ₽
92060
92150-1982
BOLT
369 ₽
92170
92170-2043
Collier
274 ₽
92190
92190-3907
TUBE
1 830 ₽
92190
92190-1210
TUBE
Цена по
запросу

Узлы для