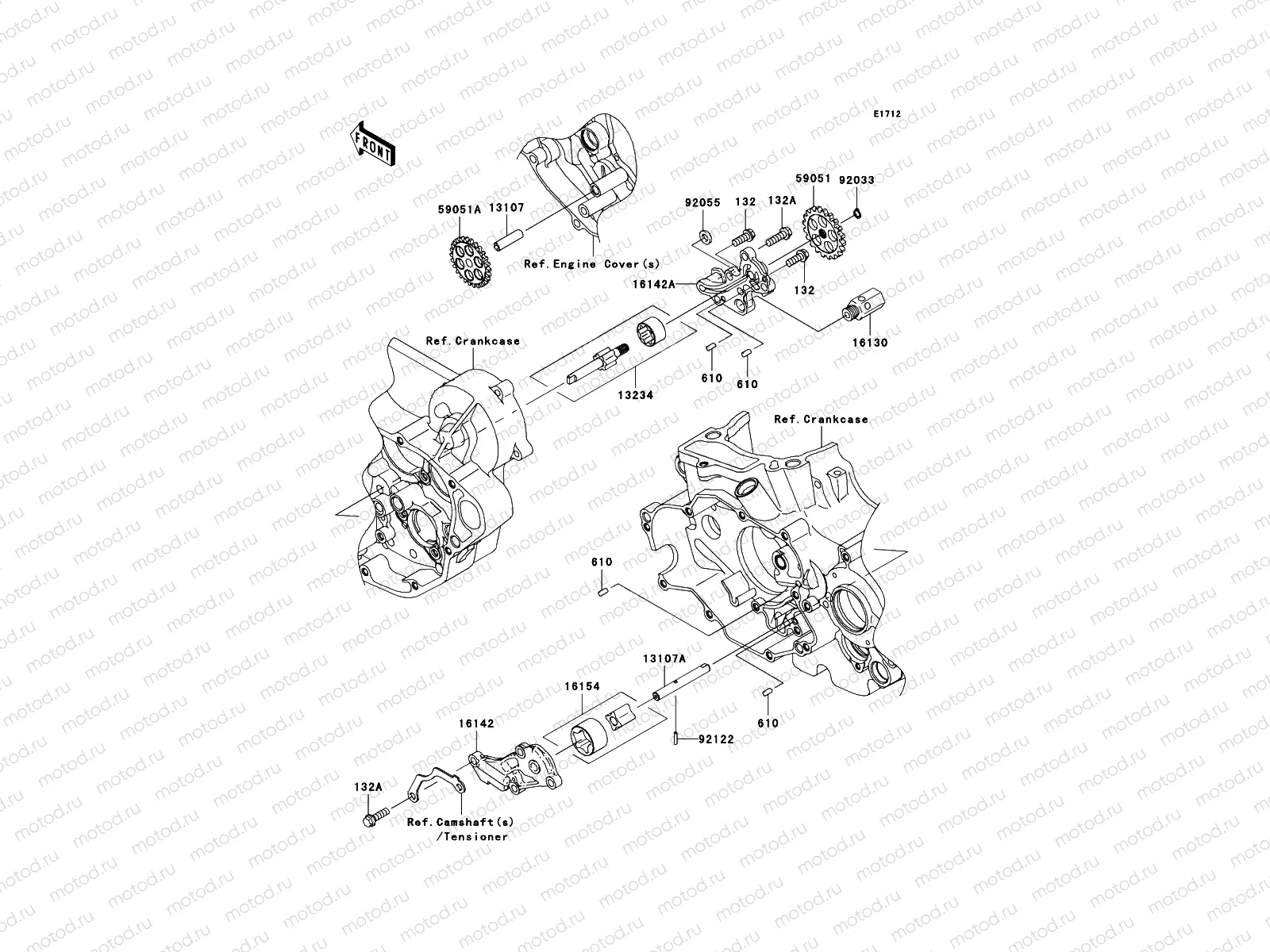
Oil Pump

Oil Pump
132
132BA-0616
5 pc - Vis
80 ₽
132
132BA-0620
5 pc - Vis
113 ₽
610
610A0-408
ROLLER,4X8
80 ₽
13107
13107-0056
SHAFT
418 ₽
13107
13107-0134
SHAFT,OIL PUMP,SCAVENGE
1 880 ₽
13234
13234-0036
SHAFT-COMP,FEED
5 816 ₽
16130
16130-1058
VALVE-ASSY-RELIEF
2 747 ₽
16142
16142-0042
COVER-PUMP,OIL,LH
2 410 ₽
16142
16142-0062
COVER-PUMP,OIL,RH
2 410 ₽
16154
16154-0069
ROTOR-PUMP,SCAVENGE
1 740 ₽
59051
59051-0044
GEAR-SPUR,O/P DRIVEN,28T
1 847 ₽
59051
59051-0045
GEAR-SPUR,O/P IDLER,26T
2 410 ₽
92033
92033-0019
RING-SNAP
64 ₽
92055
92055-074
O-Ring (OD=13)
524 ₽
92122
92122-0021
ROLLER,2.5X11.8
113 ₽

Узлы для