MAGNETO - A99AA25CA (4949594959c009) | MAGNETO - A99AA25CA (4949594959c009)

MAGNETO - A99AA25CA (4949594959c009) | MAGNETO - A99AA25CA (4949594959c009)
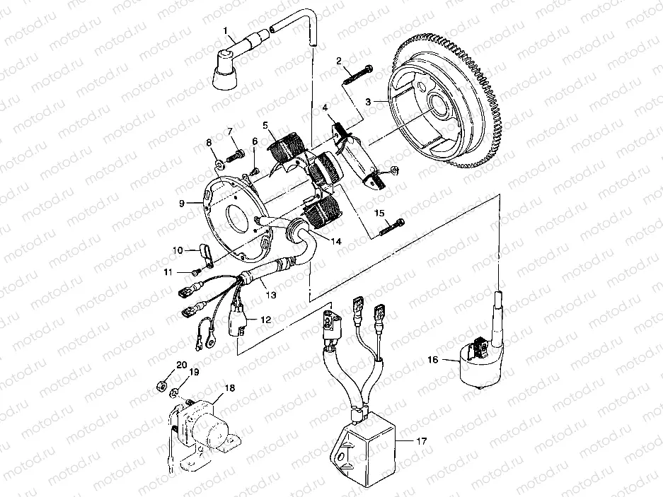
1
4020129
RESISTOR PLUG CAP
Цена по
запросу
2
3083423
ASM. SCREW & WASHER
Цена по
запросу
3
3083939
FLYWHEEL W/RING GEAR
Цена по
запросу
4
3083422
COIL EXCITING
Цена по
запросу
5
3083976
COIL LIGHT(STATOR 1)
Цена по
запросу
6
3081256
SCREW&WASHER ASM
Цена по
запросу
7
3086788
SCREW & WASHER
Цена по
запросу
8
3083357
Rondelle
Цена по
запросу
9
3083979
PLATE ASM.
Цена по
запросу
9
3083634
PLATE, COIL
Цена по
запросу
10
3081296
Collier
Цена по
запросу
11
3081260
ASM. SCREW&WASHER
Цена по
запросу
12
3083909
COUPLER
Цена по
запросу
13
3083978
HARNESS, WIRE
Цена по
запросу
14
3083773
Damper
Цена по
запросу
15
3083736
SCREW&WASHER ASM.(10)
Цена по
запросу
16
3083923
COIL IGNITION
Цена по
запросу
17
3083977
CDI UNIT
Цена по
запросу
18
4011335
SWITCH-MAGNETIC
Цена по
запросу
19
3080077
WASHER SPRING
Цена по
запросу
20
3083073
Nut
Цена по
запросу

Узлы для