Система смазки для BONNEVILLE T100 BLACK Triumph 2020

Lubrication system
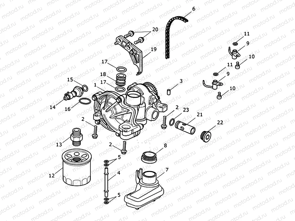
1
T1210333
Pump Assembly, Oil/Water
Цена по
запросу
2
T3200134
Bolt, RHHF, M6x25, Encaps
Цена по
запросу
3 шт. в узле в узле
3
T3000032
Dowel, Dia 6 x 10.8
Цена по
запросу
4
T1210249
Pump Drain Tube
Цена по
запросу
5
T3600109
O Ring, ID 5.6 x 2.3
Цена по
запросу
4 шт. в узле в узле
6
T1210370
Chain, Auxiliary Drive, Silent
Цена по
запросу
7
T1210315
Oil Strainer
Цена по
запросу
8
T3600128
Seal, Oil, Strainer
Цена по
запросу
9
T1210666
Oil Sprayjet, Piston
Цена по
запросу
2 шт. в узле в узле
10
T3051063
Screw, Cap/HD, M6 x 16, Enc, R
Цена по
запросу
2 шт. в узле в узле
11
T3600176
O Ring, 6.1 x 1.6
Цена по
запросу
2 шт. в узле в узле
12
T1218001
Filtre à huile
Цена по
запросу
12
T1210440
Filtre à huile (Multipack 24)
Цена по
запросу
12
T1210443
Filtre à huile (Multipack 80)
Цена по
запросу
13
T1210299
Adaptor, Spin-On Oil Filter
Цена по
запросу
14
T1210091
Oil Pressure Switch, M10
Цена по
запросу
15
T3550546
Washer, Cu, OD 16 x ID 10.2/
Цена по
запросу
16
T3600290
O Ring, 23.7 x 2.0
Цена по
запросу
17
T3600117
O Ring 17.0 x 3.0
Цена по
запросу
2 шт. в узле в узле
18
T1210733
Pipe, Oil Pump Outlet
Цена по
запросу
19
T1210308
Guide, Auxiliary Drive
Цена по
запросу
20
T3205094
Bolt, HHF, Lghtd, M6 x 20, Enc
Цена по
запросу
2 шт. в узле в узле
21
T1210306
Pressure Relief Valve
Цена по
запросу
22
T1210307
Plug, Pressure Relief Valve
Цена по
запросу
23
T3600217
O Ring, 12.6 ID x 2.4
Цена по
запросу

Узлы для