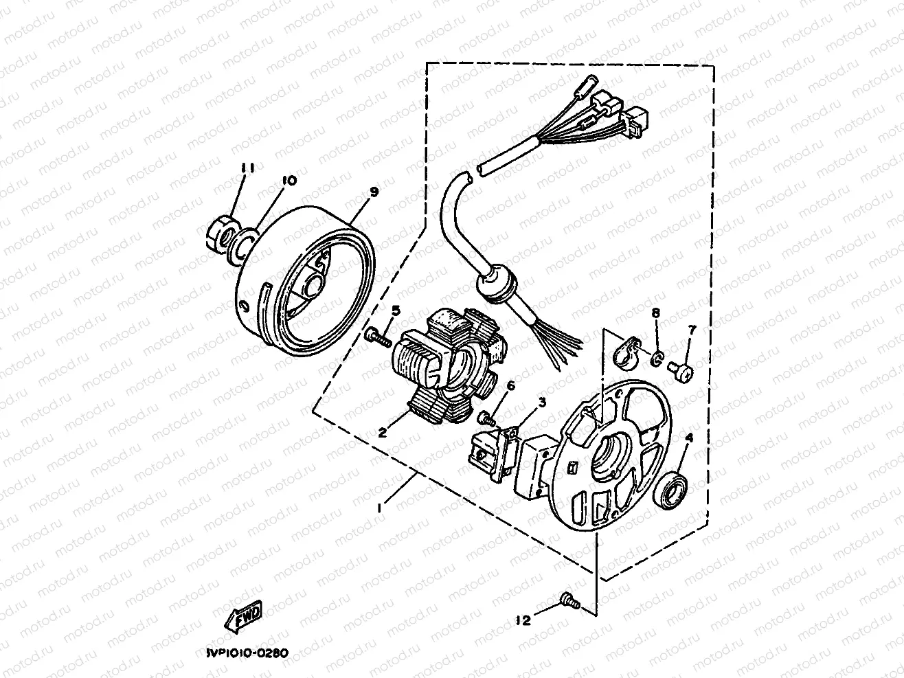
LICHTMASCHINE

LICHTMASCHINE
1
3KJ-85560-00
Основание
25 296 ₽/шт
2
3VP-81403-00
Statorcomp
14 827 ₽/шт
3
2JA-85580-M0
Coil, Pulser
4 998 ₽/шт
4
93104-19097
Сальник
477 ₽/шт
5
98517-05020
Винт
191 ₽/шт
6
97885-05010
Винт
95 ₽/шт
7
98517-04016
Винт
120 ₽/шт
8
92990-04100
Шайба
111 ₽/шт
9
2JA-85550-02
Rotor Assy
10 362 ₽/шт
10
92990-10600
Шайба
95 ₽/шт
11
90170-10011
Гайка
127 ₽/шт
12
98580-06016
Винт
238 ₽/шт

Узлы для