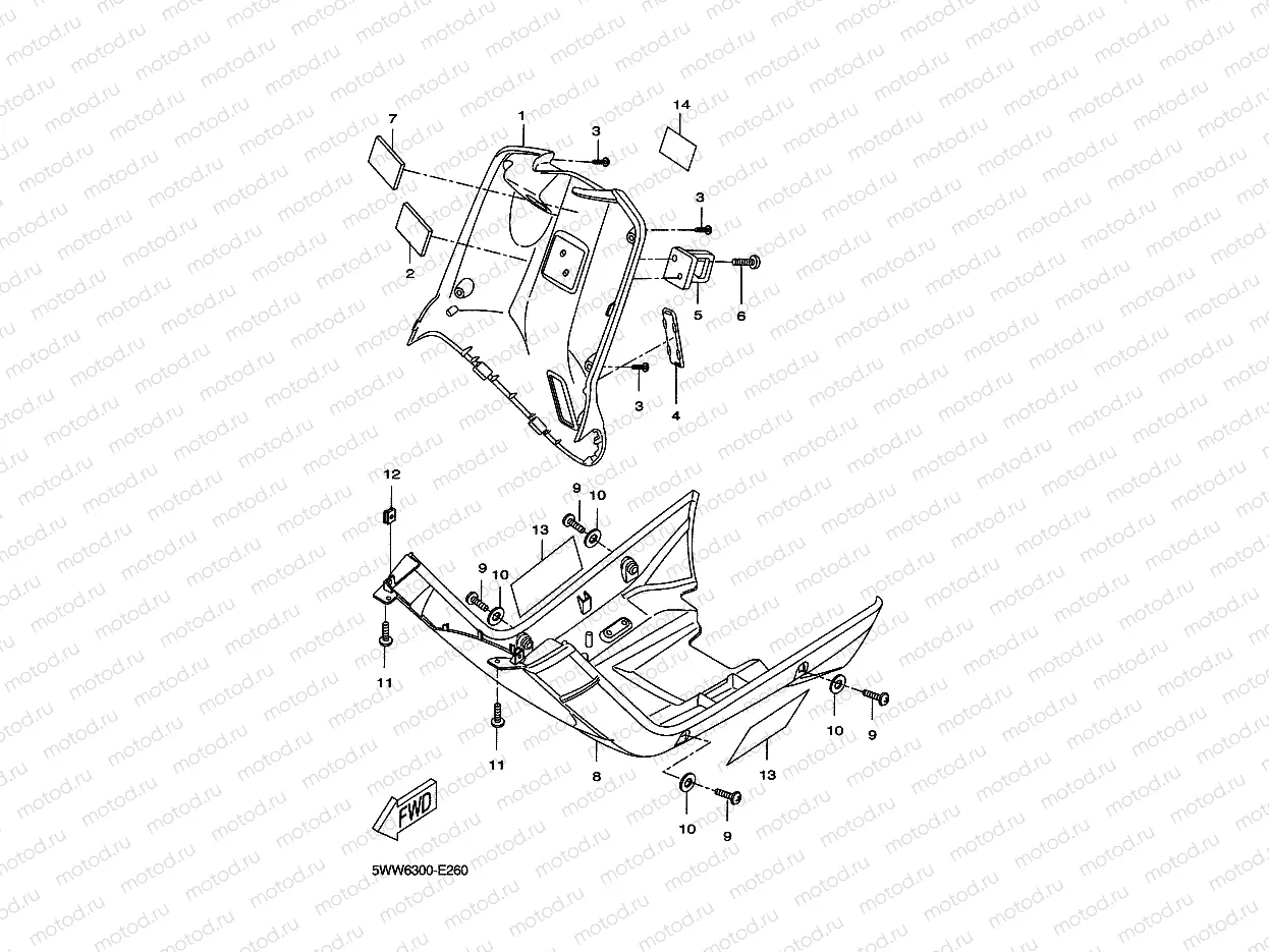
LEG SHIELD

LEG SHIELD
1
5WW-F8311-01-P2
LEG SHIELD 1
Цена по
запросу
1
5WW-F8311-01-P1
LEG SHIELD 1
Цена по
запросу
1
5WW-F8311-01-LK
EG SHIELD 1
Цена по
запросу
2
5WW-F1542-00
DAMPER 2
Цена по
запросу
3
90167-05X01
Винт
640 ₽
4
3WV-F8349-00-PD
CAP
Цена по
запросу
4
3WV-F8349-00-PC
AP
Цена по
запросу
4
3WV-F8349-00-LK
CAP
Цена по
запросу
5
5MF-F8379-00
HOOK
Цена по
запросу
6
90111-06X00
Vis
Цена по
запросу
7
5WW-F834E-00
DAMPER 1
Цена по
запросу
8
5WW-F8385-60
COVER, LOWER
Цена по
запросу
8
5WW-F8385-20
COVER, UNDER
Цена по
запросу
8
5WW-F8385-80
COVER, UNDER
Цена по
запросу
9
4SB-F8382-00
Vis (spec)
Цена по
запросу
10
90201-06X08
Rondelle
Цена по
запросу
11
90167-05X02
Винт
328 ₽
12
90183-05X03
Гайка-скоба
842 ₽
13
5WW-F8328-30
Emblem
Цена по
запросу
13
5WW-F8328-00
Emblem
Цена по
запросу
14
5WW-F1568-01
Наклейка предупредительная
1 295 ₽

Узлы для