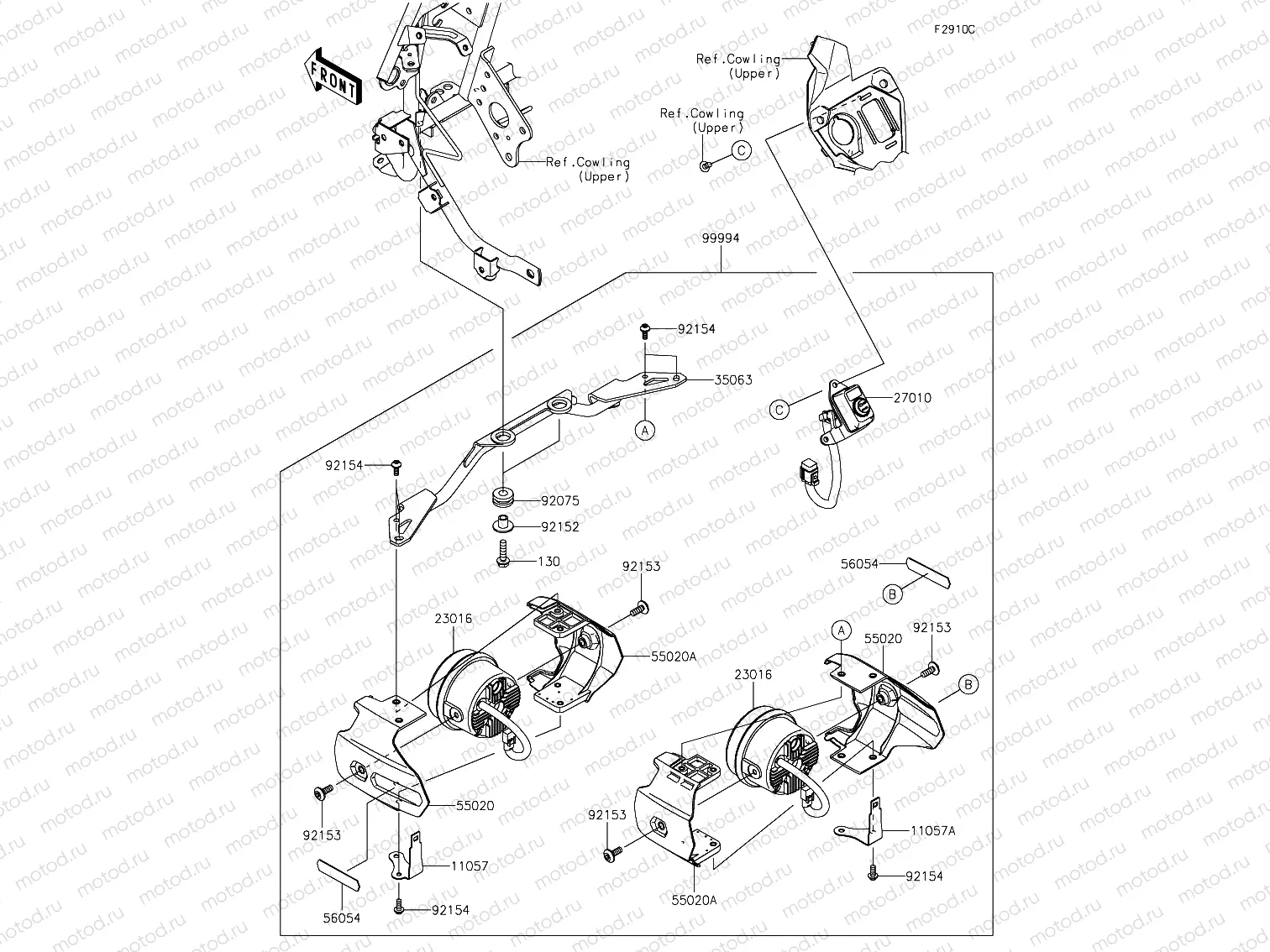
LED Lamp

LED Lamp
130
130BB-0625
Vis
119 ₽
11057
11057-7532
BRACKET,LH
Цена по
запросу
11057
11057-7533
BRACKET,RH
Цена по
запросу
23016
23016-0599
LAMP-ASSY,LED,FOG,PIAA
31 487 ₽
27010
27010-0968
SWITCH,FOG LAMP
Цена по
запросу
35063
35063-1582
STAY
Цена по
запросу
55020
55020-1826
GUARD,INNNER
321 ₽
55020
55020-1825
GUARD,OUTER
931 ₽
56054
56054-1695
MARK,FOG LAMP,KAWASAKI
787 ₽
92075
92075-222
DAMPER RUBBER,CASE
385 ₽
92152
92152-1407
Entretoise
498 ₽
92153
92153-1526
pc - Vis
80 ₽
92154
92154-0917
Vis (5x12)
225 ₽
99994
99994-1687
LED LAMP
Цена по
запросу

Узлы для