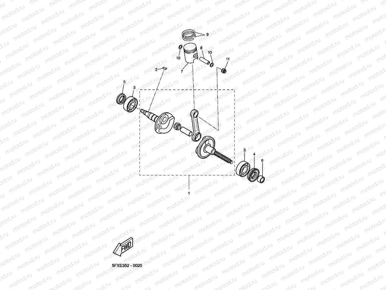
KURBELWELLE & KOLBEN

KURBELWELLE & KOLBEN
1
5WW-E1400-02
Vilebrequin
Цена по
запросу
2
90280-03017
Шпонка
175 ₽
3
93306-204XK
Подшипник
5 419 ₽
4
93102-20371
Сальник
683 ₽
5
93101-20138
Сальник
922 ₽
6
90387-156U0
Втулка
763 ₽
7
5WW-E1630-00
Piston (STD)
Цена по
запросу
8
5FX-E1633-10
Piston pin
Цена по
запросу
9
3YJ-11610-00
Кольца поршневые (STD)
3 735 ₽
10
93450-11X02
pc - Seeger
Цена по
запросу
11
93310-210M0
Подшипник поршевого пальца
1 033 ₽

Узлы для