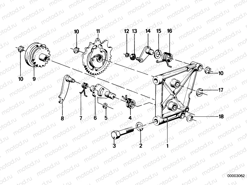
Internal shifting parts/shifting cam

Internal shifting parts/shifting cam
1
23311234386
Supporting bracket
2
07119904463
WAVE WASHER
2
07119904463
WAVE WASHER
3
23311231614
Vis
4
23311231618
Spring
5
07119932841
Circlip
6
23311231578
SEGMENT SHAFT
7
23311242910
Spring
8
23311242892
PAWL
9
23311451563
SHIFTING CAM
10
07119934060
Lock Ring
11
23311231611
SHIFTING CAM
12
07119934035
Lock Ring
13
23311231572
Roll pin
14
23311231575
Lever
15
07119932631
Entretoise
16
23311234791
Spring
17
07119904911
Borgring
17
07119904911
Borgring
18
07119934082
Lock Ring

Узлы для