INTAKE MANIFOLD » INTAKE, CARBURETTOR

INTAKE MANIFOLD » INTAKE, CARBURETTOR
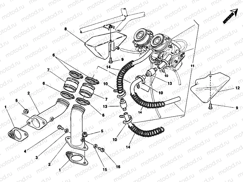
1
78810201A
pc - Intake manifold Gasket
Цена по
запросу
2
14010061B
Pipe d’admission
Цена по
запросу
3
025070223
10 pc - Rondelle
Цена по
запросу
4
77650328A
Vis (M5x8)
Цена по
запросу
5
74940081A
2 pc - Nut
Цена по
запросу
6
74141801A
Collier (40/60)
Цена по
запросу
7
80110101A
Pipe d’admission
Цена по
запросу
8
58510161AB
IR BOX, LH
Цена по
запросу
9
707404808
Vis
Цена по
запросу
10
74140381A
pc - Collier
Цена по
запросу
11
59010671A
.PIPE
Цена по
запросу
12
58510141AB
IR BOX, RH
Цена по
запросу
13
42740031A
Filtre à carburant
Цена по
запросу
14
037054985
Spring
Цена по
запросу
15
87710571A
BREATHER PIPE
Цена по
запросу
16
87710561A
BREATHER PIPE
Цена по
запросу

Узлы для