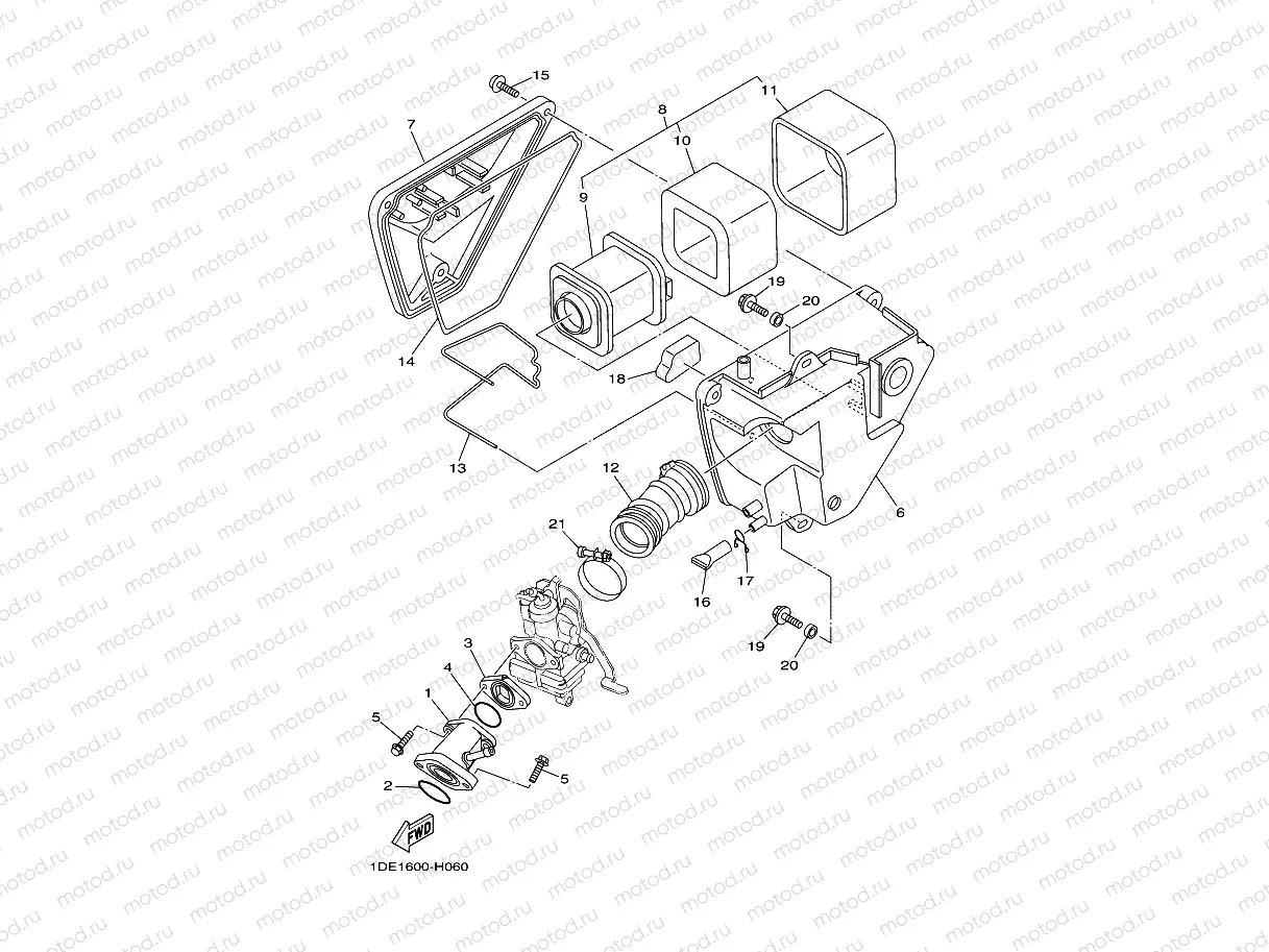
ЗАБОРНИК для YD110S YD110 CRUX 1DE1 2009 YAMAHA Crux 110 YD

INTAKE
1
5KA-E3586-10
Pipe d’admission
Цена по
запросу
2
93210-32807
Кольцо уплотнительное
874 ₽
3
5KA-E3595-02
JOINT
Цена по
запросу
4
93210-27800
Кольцо уплотнительное
397 ₽
5
90105-06868
Bolt, Flange
120 ₽
6
5KA-E4411-20
CASE, AIR CLEANER 1
Цена по
запросу
7
5KA-E4412-00
CAP, CLEANER CASE 1
Цена по
запросу
8
5KA-E4450-10
Filtre à air
Цена по
запросу
9
5KA-E4458-20
.GUIDE
Цена по
запросу
10
5DG-E4451-00
Filtre à air
Цена по
запросу
11
5DG-E4461-00
Filtre à air
Цена по
запросу
12
5KA-E4453-00
Manchon de filtre à air - Soufflet
Цена по
запросу
13
5DG-E4487-00
Spring
Цена по
запросу
14
Цена по
запросу
15
97607-06225
Винт с шайбой
191 ₽
16
4LS-E443E-00
PIPE, DRAIN
Цена по
запросу
17
90467-11106
Хомут
120 ₽
18
5KA-E447F-00
LEMENT 3
Цена по
запросу
19
97017-06016
Болт
111 ₽
20
90387-06704
COLLAR
Цена по
запросу
21
90460-43179
Хомут
747 ₽

Узлы для