INTAKE 2

INTAKE 2
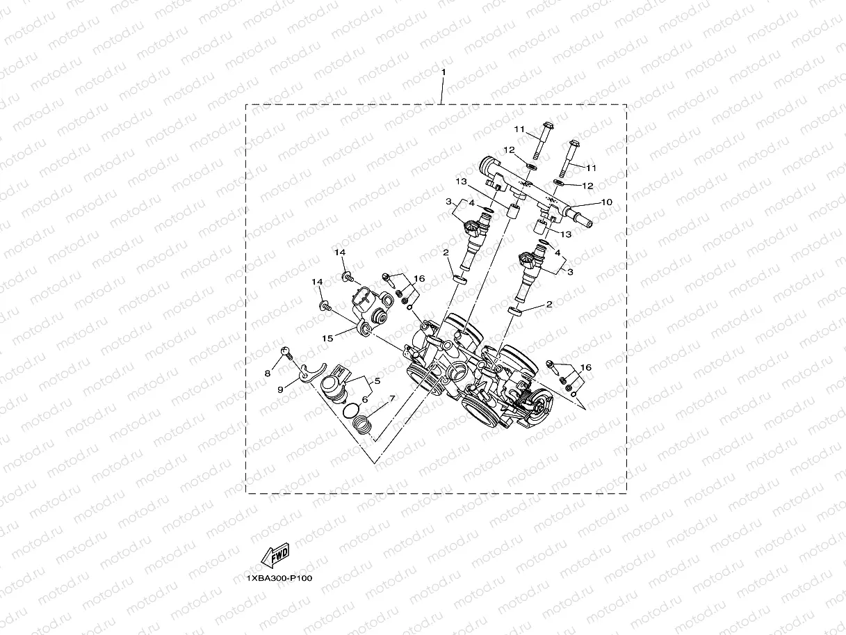
1
1WS-13750-20
THROTTLE BODY ASSY
Цена по
запросу
2
8FP-13556-00
Уплотнение инжектора
445 ₽
3
1WS-13761-10
INJECTOR
Цена по
запросу
4
5PS-14147-00
Кольцо уплотнительное
1 049 ₽
5
1WS-85801-01
TEPPING MOTOR
Цена по
запросу
6
54P-E416A-00
Кольцо уплотнительное
207 ₽
7
1WS-14335-00
Пружина
429 ₽
8
98517-06012
Винт
159 ₽
9
54P-14243-00
Пластина-фиксатор
445 ₽
10
1WS-13938-00
Трубка подачи топлива
14 248 ₽
11
8HG-13573-00
Болт
827 ₽
12
8GL-13571-00
Шайба
159 ₽
13
8HG-14534-00
Втулка
572 ₽
14
8CC-14216-10
Винт
588 ₽
15
3B4-85885-01
ДАТЧИК ПОЛОЖЕНИЯ ДРОССЕЛЬНОЙ ЗАСЛОНКИ
9 328 ₽
16
2C0-14105-00
Винт регулировочный
1 987 ₽

Узлы для