INTAKE 2

INTAKE 2
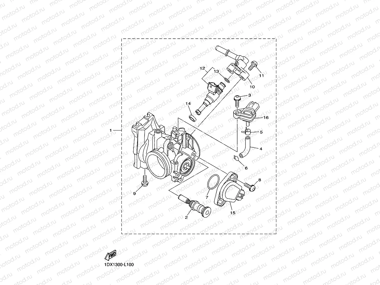
1
1DX-13750-20
スロツトルボデ−アセンブリ
47 713 ₽/шт
2
1DX-14171-00
Плунжерстартер
9 918 ₽/шт
3
33D-14325-00
Винт
715 ₽/шт
4
33D-14348-00
Трубка
842 ₽/шт
5
33D-13577-00
Хомут
493 ₽/шт
6
3TJ-14137-40
Стопор
381 ₽/шт
7
1DX-14562-00
Кольцо уплотнительное
540 ₽/шт
8
1DX-14216-00
Винт
238 ₽/шт
10
1DX-13938-00
Pipe
6 208 ₽/шт
11
33D-14486-00
Винт
715 ₽/шт
12
3B4-13761-00
Инжектор
18 470 ₽/шт
13
5PS-14147-00
Кольцо уплотнительное
1 049 ₽/шт
14
90430-09002
Прокладка инжектора
890 ₽/шт
15
1DX-85885-01
Throttle Sensor Assy
15 696 ₽/шт
16
1WS-82380-00
Датчик давления
11 967 ₽/шт

Узлы для