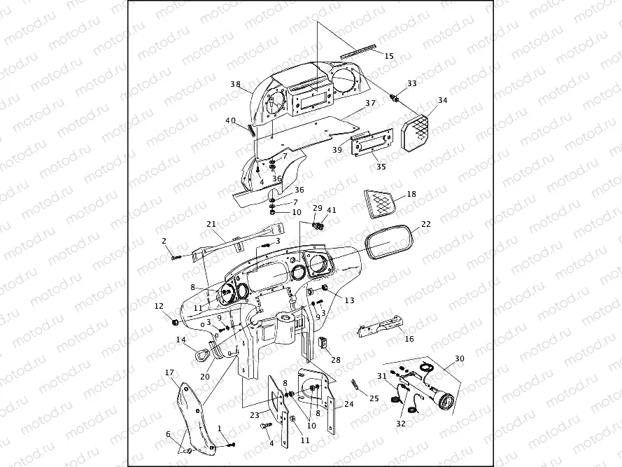
INNER FAIRING, RADIO CADDY & GAUGES

INNER FAIRING, RADIO CADDY & GAUGES
1
922
SCREW, TRUSS HEAD
2
924
SCREW, HEX SOCKET
3
2513
Vis
4
SCREW
4
3574
SCREW, FLANGE
5
3787
SCREW, HEX
6
5210
NUT, WELL
7
6253W
WASHER
8
6703
Rondelle
9
WASHER
10
7686
Nut
11
7716
20 pc - NUT, HEX FLANGE, FLHTC-UC
12
11445
Damper
13
GROMMET, throttle cables
14
GROMMET
15
DECAL, radio caddy
15
DECAL, radio caddy
16
HANDLEBAR COVER (black)
17
AIR DEFLECTOR, right
17
AIR DEFLECTOR, left
18
SPEAKER GRILLE, left
18
SPEAKER GRILLE, right
19
WIRING HARNESS, gauges (not illustrated)
20
MOLDING, inner fairing
21
CROSS BRACE
22
SEAL, instrument panel
23
BRACKET, left
24
BRACKET, right
25
61648-85
TRIM PANEL EDGING
26
HARNESS, speakers (not illustrated)
27
HARNESS, lighter (not illustrated)
28
SWITCH, auxiliary lamps
29
91812-89A
CIGARETTE LITER, W/BACK BY MET
30
VOLTMETER (replaces 74527-86)
30
VOLTMETER (use 74526-86A)
30
GAUGE, oil pressure
31
75044-84
SOCKET & LEADS
32
75045-84
BULB,GAUGE
33
76175-86A
CLIP,DOUBLE END
34
SPEAKER GRILLE
35
BRACKET, radio, front
36
WASHER, rubber
37
BOTTOM, radio caddy
38
RADIO CADDY (black)
39
MOLDING, radio caddy
40
MOLDING, radio caddy
41
91808-89
ELEMENT, CIGARETTE LITER ULTRA

Узлы для