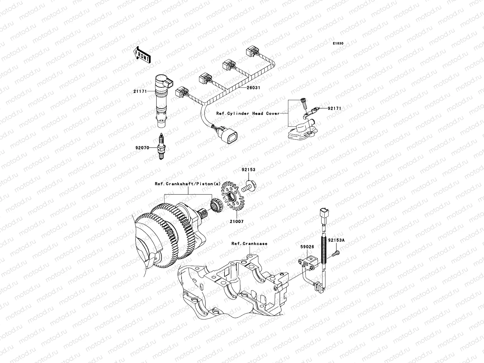
Ignition System

Ignition System
21007
21007-0066
ROTOR
3 662 ₽
21171
21171-0005
Bobine d'allumage
14 979 ₽
26031
26031-0360
HARNESS
8 944 ₽
59026
59026-0028
COIL-PULSING
14 979 ₽
92070
CR9EI-A9
element
1 702 ₽
92153
92153-0549
Vis (8x23)
498 ₽
92153
92153-1293
Vis (5x12)
64 ₽
92171
92171-0524
Collier
241 ₽

Узлы для