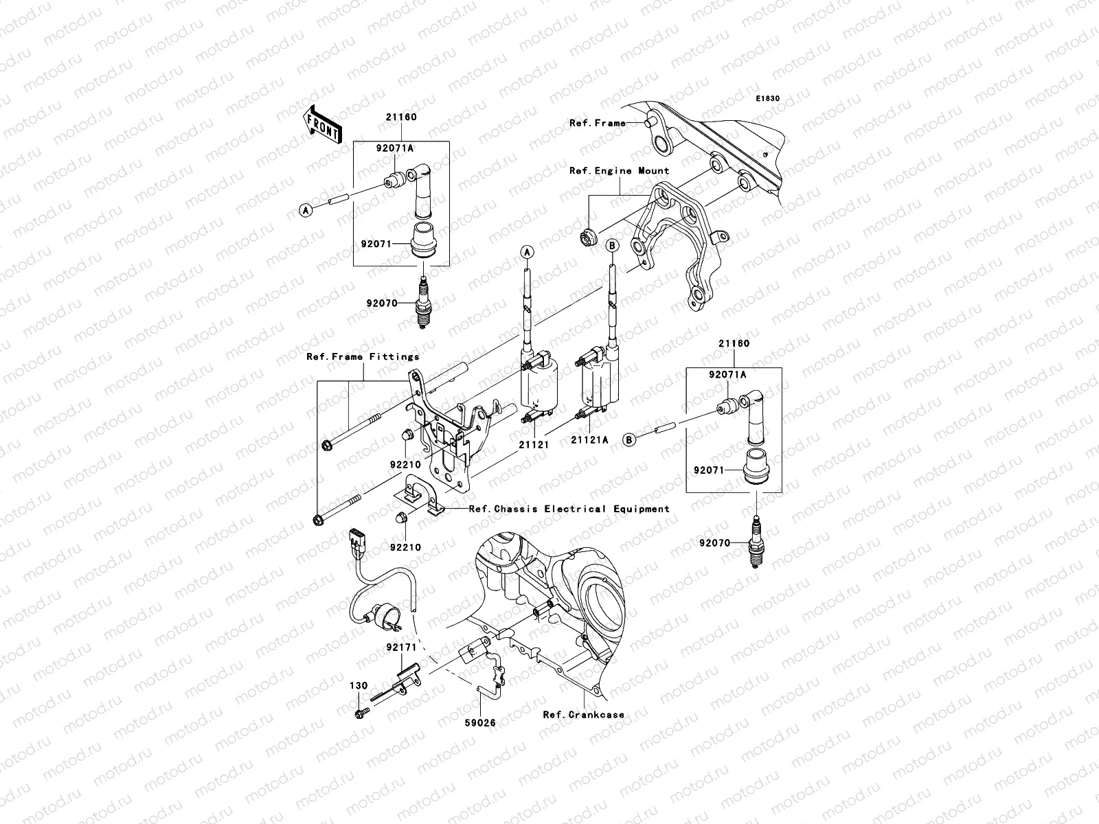
Ignition System

Ignition System
130
130BA-0514
Vis
97 ₽
21121
21121-0013
COIL-IGNITION,FR ENGINE
17 948 ₽
21121
21121-0014
COIL-IGNITION,RR ENGINE
17 948 ₽
21160
21160-0005
Spark plug cap
2 564 ₽
59026
59026-0002
COIL-PULSING
10 179 ₽
92070
IZFR6-F11
Bougie d'allumage
Цена по
запросу
92071
92071-0006
GROMMET,PLUG CAP
369 ₽
92071
92071-0010
GROMMET,HIGH TENSION
321 ₽
92171
92171-0035
CLAMP,COIL WIRE
418 ₽
92210
92210-0003
5 pc - Nut
295 ₽

Узлы для