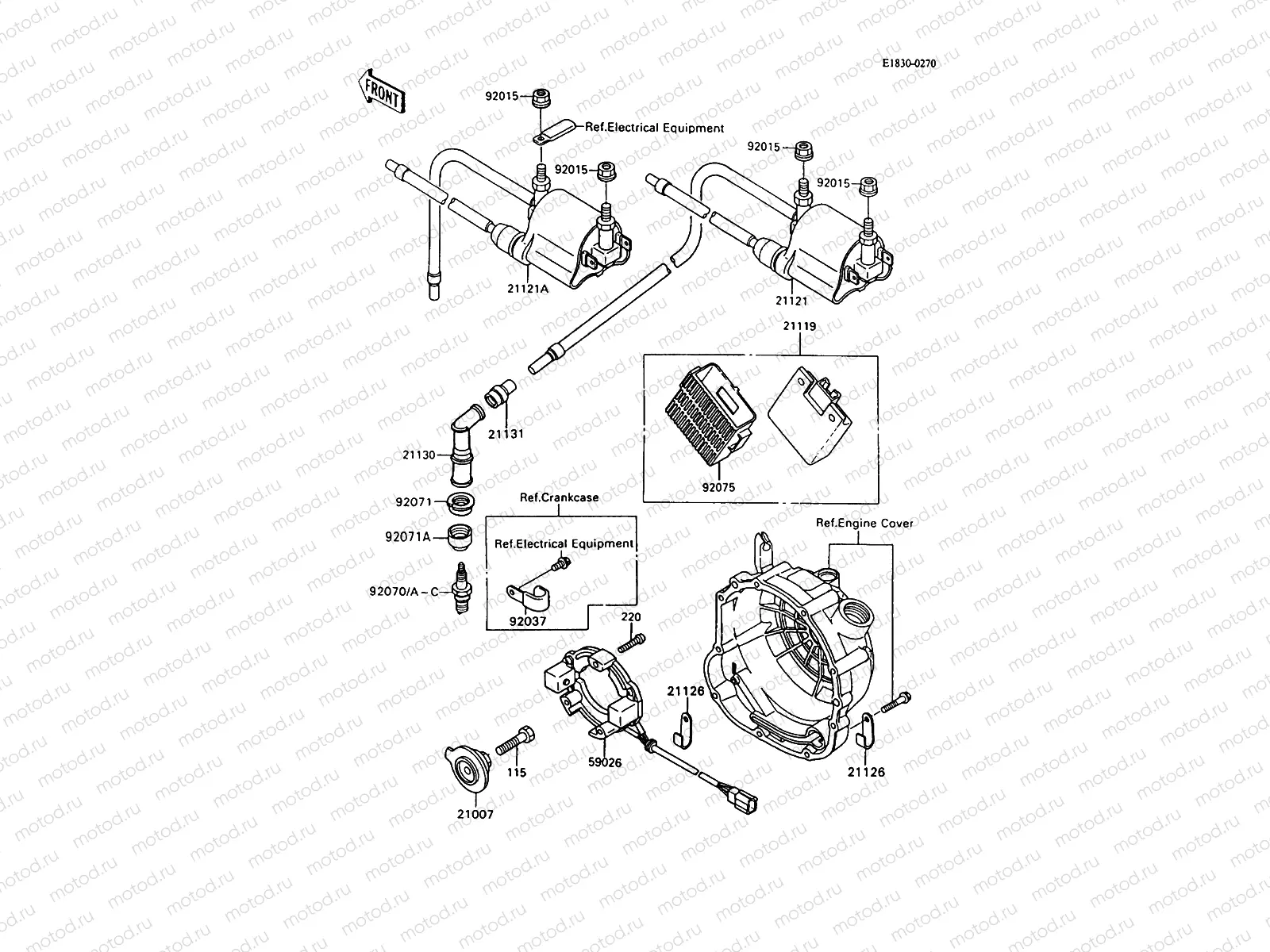
Ignition System

Ignition System
115
115BA-0835
OLT,SMALL UPSET
113 ₽
220
220AA-0525
SCREW-PAN-CROS,5X25
97 ₽
21007
21007-1159
ROTOR
Цена по
запросу
21119
21119-1167
IGNITER
Цена по
запросу
21121
21121-1157
COIL-IGNITION,#1
Цена по
запросу
21121
21121-1158
COIL-IGNITION,#2
Цена по
запросу
21126
21126-008
CLAMP,WIRING HARNESS
312 ₽
21130
21130-1068
Spark plug cap
3 125 ₽
21131
21131-005
pc - GROMMET,TENSION,ITALY
Цена по
запросу
59026
59026-1078
COIL-PULSING
Цена по
запросу
92015
92210-1514
Nut (6 mm)
289 ₽
92037
92037-1539
Collier
289 ₽
92070
DR9EA-
BPR8ES NGK SPLUG 1
420 ₽
92070
DR8EA-
Plug, Spark (Ngk Dr8Ea)
486 ₽
92070
-
No-Part
Цена по
запросу
92071
92071-1144
Damper
530 ₽
92071
92071-1184
GROMMET,PLUG CAP
338 ₽
92075
92075-1504
DAMPER,IGNITER
Цена по
запросу

Узлы для