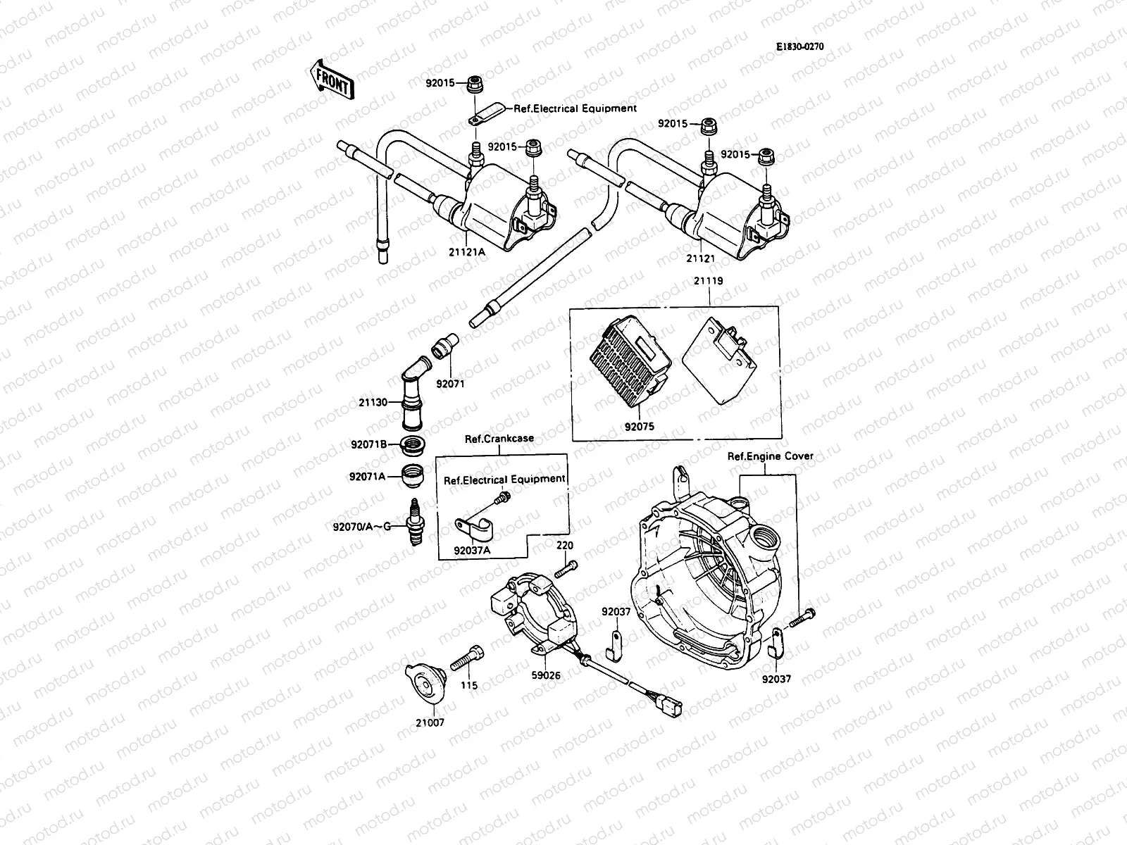
Ignition System

Ignition System
115
115BA-0835
BOLT,SMALL UPSET
113 ₽/шт
220
220AA-0525
SCREW-PAN-CROS,5X25
97 ₽/шт
21007
21007-1159
ROTOR
21119
21119-1167
IGNITER
21121
21121-1157
COIL-IGNITION,#1
21121
21121-1158
COIL-IGNITION,#2
21130
21130-1068
Spark plug cap
3 125 ₽/шт
59026
59026-1078
COIL-PULSING
92015
92210-1514
Nut (6 mm)
289 ₽/шт
92037
21126-008
CLAMP,WIRING HARNESS
312 ₽/шт
92037
92037-1539
Collier
289 ₽/шт
92070
DR8ES-
BPR7ES NGK - 4/PACK
486 ₽/шт
92070
DR8EA-
Plug, Spark (Ngk Dr8Ea)
486 ₽/шт
92070
-
No-Part
92071
21131-005
5 pc - GROMMET,TENSION,ITALY
92071
92071-1124
GROMMET,PLUG CAP
579 ₽/шт
92071
92071-1144
Damper
530 ₽/шт
92075
92075-1504
DAMPER,IGNITER

Узлы для