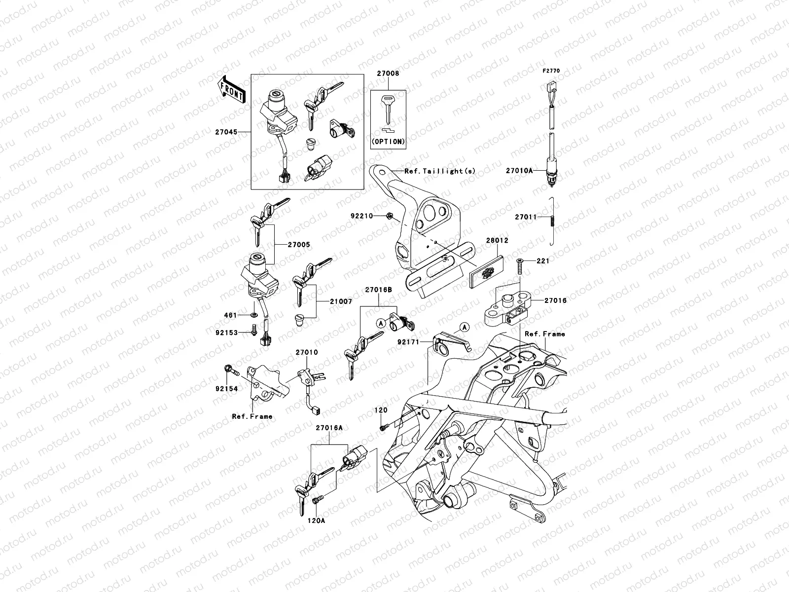
Ignition Switch

Ignition Switch
120
120CB-0512
pc - Vis
110 ₽
120
120CB-0616
5 pc - BOLT-SOCKET,6X16
113 ₽
221
221AB-0630
SCREW-CSK-CROSS
97 ₽
461
461DA-0600
WASHER-SPRING,6MM
45 ₽
21007
21007-5039
ROTOR,LOCK,TANK CAP
5 510 ₽
27005
27005-5142
SWITCH-ASSY-IGNITION
15 422 ₽
27008
27008-0624
Clé Vierge
1 189 ₽
27010
27010-1468
Switch, side stand
4 129 ₽
27010
27010-1486
Commutateur de feu-stop
2 169 ₽
27011
27011-011
SPRING,BRAKE LAMP SW
580 ₽
27016
27016-1098
LOCK-ASSY,SEAT STRIKE
6 459 ₽
27016
27016-5212
LOCK-ASSY,HELMET
5 174 ₽
27016
27016-5256
LOCK-ASSY,SEAT
4 803 ₽
27045
27045-5453
SWITCH-ASSY
23 294 ₽
28012
28012-1077
REFLECTOR-REFLEX
1 510 ₽
92153
92153-0967
pc - Vis
113 ₽
92154
92154-0859
Vis
274 ₽
92171
92171-1072
Collier
610 ₽
92210
92210-0007
5 pc - Nut
128 ₽

Узлы для