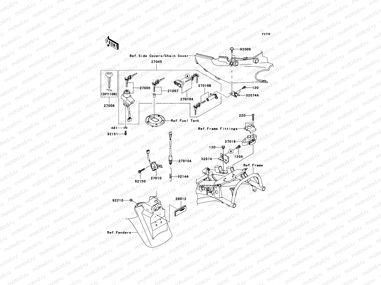
Ignition Switch

Ignition Switch
120
120CB-0512
pc - Vis
110 ₽
120
120CB-0616
5 pc - BOLT-SOCKET,6X16
113 ₽
130
130BB-0612
5 pc - Vis
113 ₽
220
220AB-0630
SCREW-PAN-CROSS
113 ₽
461
461DA-0600
WASHER-SPRING,6MM
45 ₽
21007
21007-5037
ROTOR,LOCK,TANK CAP
5 944 ₽
27005
27005-5114
SWITCH-ASSY-IGNITION
17 350 ₽
27008
27008-0624
Clé Vierge
1 189 ₽
27010
27010-1445
Switch, side stand
12 165 ₽
27010
27010-1452
Commutateur de feu-stop
1 895 ₽
27016
27016-1098
LOCK-ASSY,SEAT STRIKE
6 459 ₽
27016
27016-5203
LOCK-ASSY,HELMET
4 803 ₽
27016
27016-5205
LOCK-ASSY,SEAT
5 174 ₽
27045
27045-5164
SWITCH-ASSY
38 363 ₽
28012
28012-1077
REFLECTOR-REFLEX
1 510 ₽
32074
32074-1198
BRACKET-LOCK,HELMET
751 ₽
32074
32074-1203
BRACKET-LOCK,SEAT
751 ₽
92009
92009-3763
Vis (6x20)
241 ₽
92144
92144-1283
SPRING,REAR BRAKE SWI
Цена по
запросу
92150
92150-1433
Vis (6x30)
289 ₽
92151
92153-0967
pc - Vis
113 ₽
92210
92210-0007
5 pc - Nut
128 ₽

Узлы для