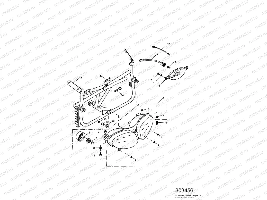
Фара и крепления для SPRINT ST > 139276 Triumph 2001 (VIN: SMTTF610)

Headlight & Mountings
1
T2705185
Headlight
Цена по
запросу
1
T2705175
Headlight
Цена по
запросу
1
T2705165
Headlight
Цена по
запросу
2
T2700671
Damper
Цена по
запросу
3 шт. в узле в узле
3
T2700676
Damper
Цена по
запросу
2 шт. в узле в узле
4
T2700677
Flanged sleeve
Цена по
запросу
2 шт. в узле в узле
5
T2700001
Bulb, H/Lamp, Halogen, H4, 60/
Цена по
запросу
2 шт. в узле в узле
6
T2700675
Rubber boot
Цена по
запросу
2 шт. в узле в узле
7
T2705430
Front position light
Цена по
запросу
8
T2700938
Bulb, W5W, 5W, 12V, Clear
Цена по
запросу
9
T2700674
Harness
Цена по
запросу
10
T3331414
Screw, S/Tap, Torx, 5 x 16
Цена по
запросу
2 шт. в узле в узле
11
T3551178
Washer, M5 x 15 x 1.6
Цена по
запросу
2 шт. в узле в узле
12
T2500215
LED unit
Цена по
запросу
13
T2705122
Subframe, Cockpit
Цена по
запросу
14
T3050323
Screw, Cap/Hd, M8 x 30, Slv
Цена по
запросу
2 шт. в узле в узле
15
T3350003
Locknut, Flanged, M6 x 1.0
Цена по
запросу
16
T3331234
Screw, Torx, P/H, M6 x 20, Slv
Цена по
запросу
2 шт. в узле в узле
17
T3010707
Sleeve, Flanged, 6.4 x 10 x 6.
Цена по
запросу
18
T3020013
Damper
Цена по
запросу

Узлы для