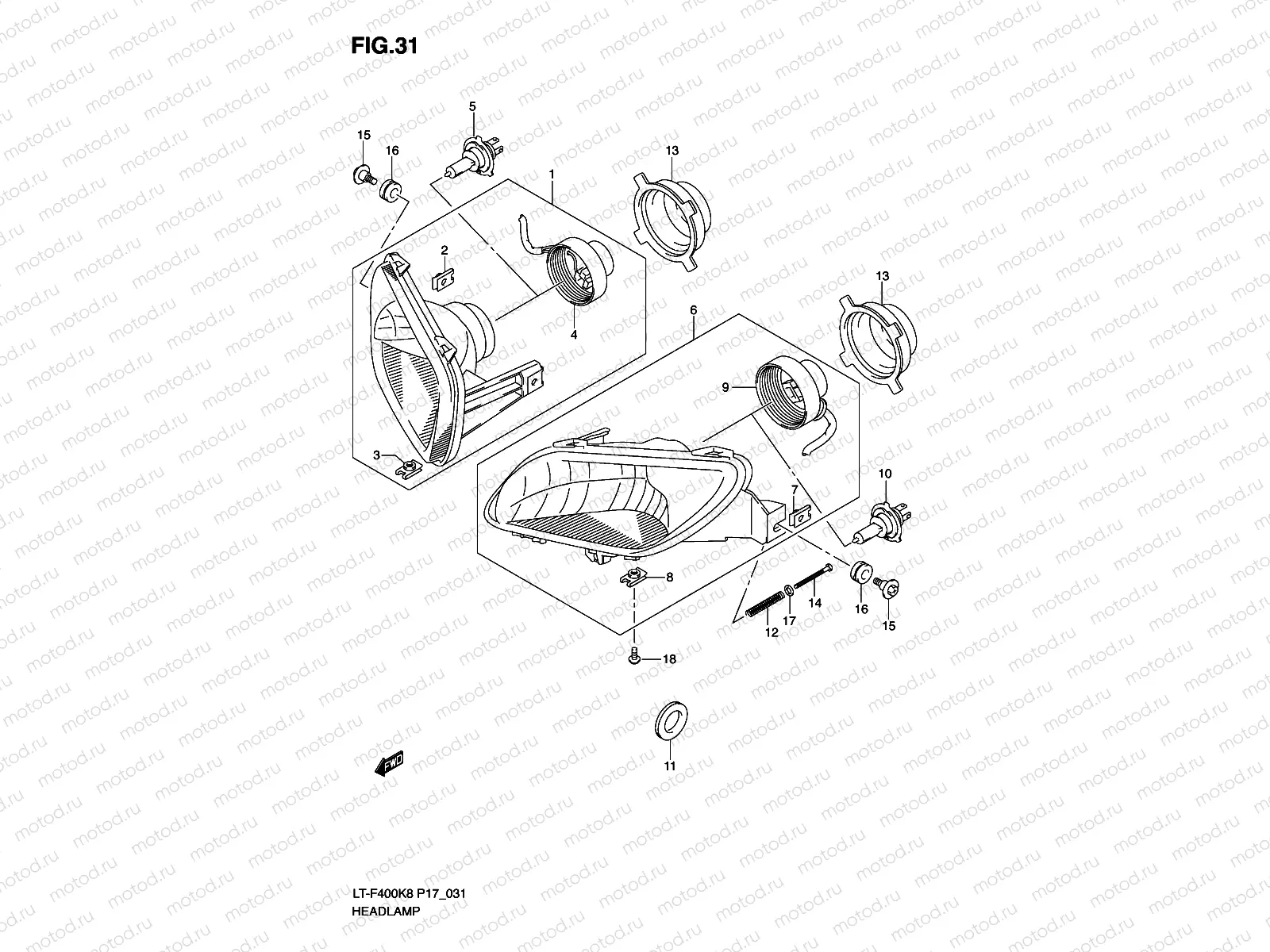
HEADLAMP

HEADLAMP
1
35100-31G92-999
Optique de phare
Цена по
запросу
2
35157-31G90
Nut
Цена по
запросу
3
35157-05G50
Nut,m5
Цена по
запросу
4
35171-31GM1
Cord assy,r
Цена по
запросу
5
990D0-02E20
Bulb
Цена по
запросу
6
35300-31G90-999
Optique de phare
Цена по
запросу
7
35157-31G90
Nut
Цена по
запросу
8
35157-05G50
Nut,m5
Цена по
запросу
9
35171-31GH1
Cord assy,l
Цена по
запросу
10
990D0-02E20
Bulb
Цена по
запросу
11
09308-07013
Damper
Цена по
запросу
12
35154-31300
Пружина
170 ₽
13
35174-31G00
Cover,headlamp
Цена по
запросу
14
09125-04031
Screw,headlamp
Цена по
запросу
15
09139-06118
Винт
2 030 ₽
16
09320-10501
САЙЛЕНТБЛОК
321 ₽
17
08322-0104B
Шайба
81 ₽
18
09136-05046
SCREW(5X16)
1 410 ₽

Узлы для