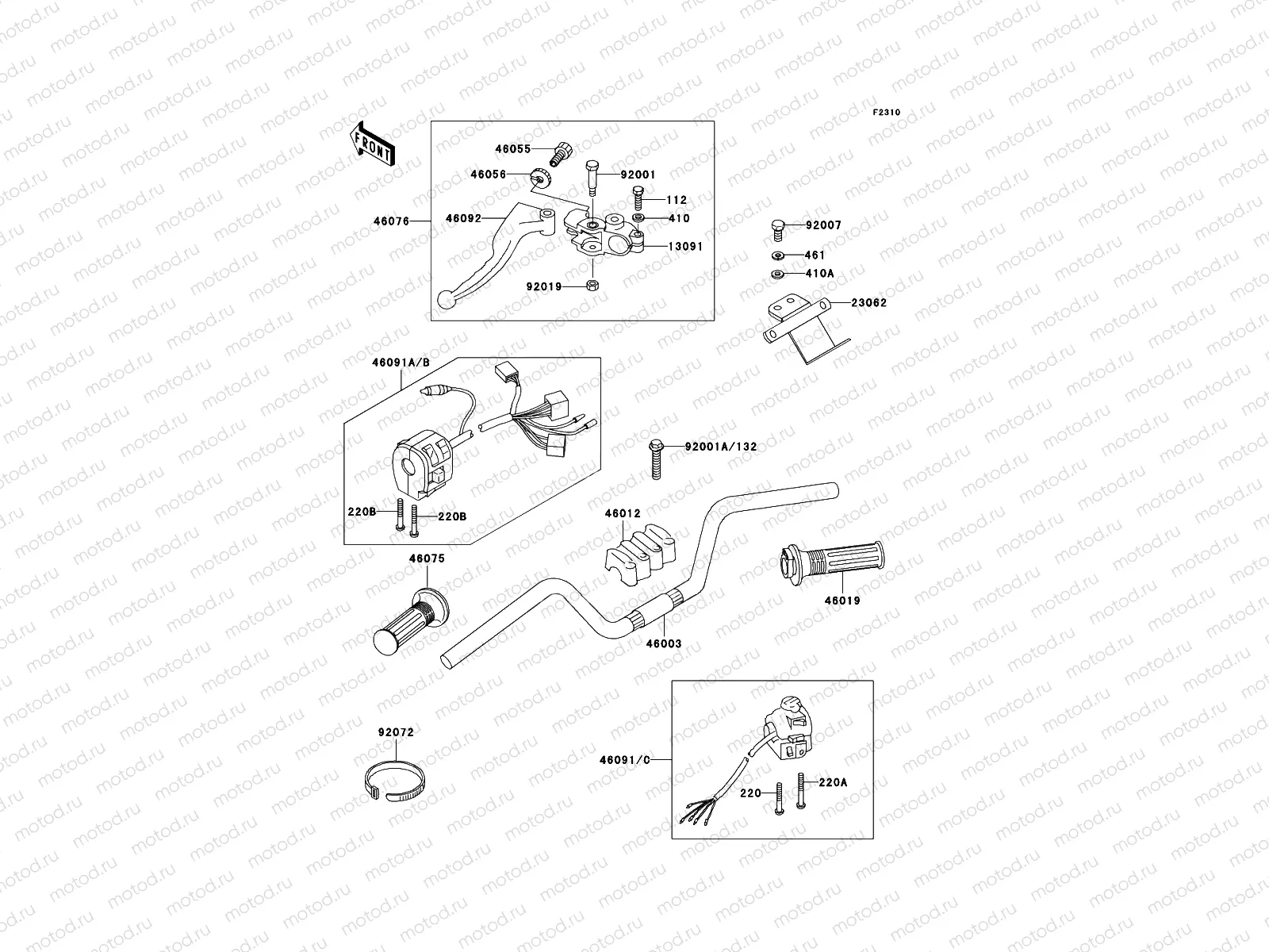
Handlebar

Handlebar
112
-
No-Part
220
220AA-0535
Vis
97 ₽/шт
220
220AA-0540
Vis
97 ₽/шт
220
220AB-0535
Vis
97 ₽/шт
410
410AA-0600
WASHER-PLAIN-SMALL
82 ₽/шт
410
410AA-0800
10 pc - WASHER-PLAIN-SMALL,8MM
60 ₽/шт
461
461DA-0800
WASHER-SPRING,8MM
45 ₽/шт
13091
13091-1046
HOLDER,CLUTCH LEVER
3 165 ₽/шт
46003
46003-4008
Handlebar
46019
46019-1022
GRIP-ASSY, RH
46055
46055-003
SCREW-CABLE ADJUST
46056
46056-005
NUT-LOCK
46075
46075-1020
Poignées (LH)
1 715 ₽/шт
46076
46076-1019
Levier embrayage
6 121 ₽/шт
46091
46091-1864
HOUSING-ASSY-CONTROL,RH
46092
46092-1005
Levier embrayage
2 056 ₽/шт
92001
92001-1075
BOLT,CLUTCH LEVER FIT
418 ₽/шт
92001
92154-2923
Vis
357 ₽/шт
92019
92019-008
Nut
238 ₽/шт
92072
92072-031
BAND,MIDDLE
289 ₽/шт

Узлы для