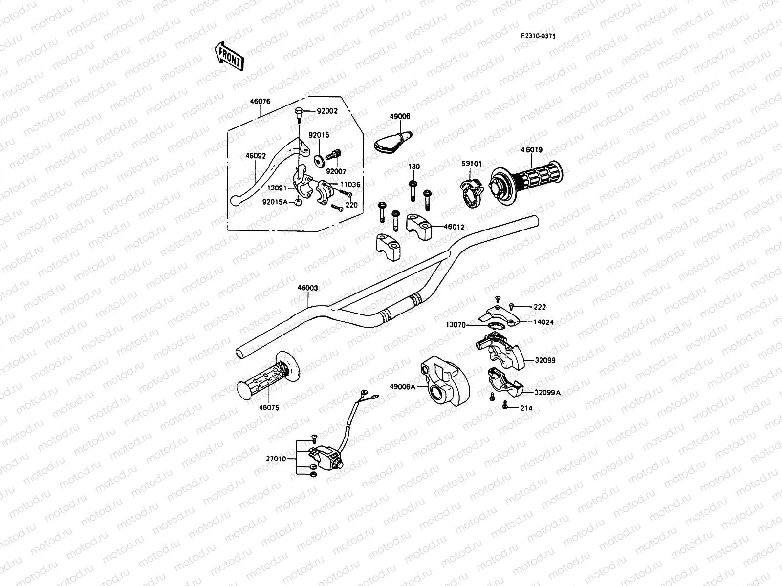
Handlebar

Handlebar
130
130CA-0830
Vis
128 ₽
214
220AB-0518
SCREW-PAN-CROS,5X18
80 ₽
220
220AB-0514
Vis
97 ₽
222
222E0-412
SCREW-CSK-RD-CROS
97 ₽
11036
11056-0150
BRACKET,LEVER HOLDER
964 ₽
13070
13070-1074
GUIDE,THROTTLE
449 ₽
13091
13091-1131
HOLDER,CLUTCH LEVER
2 972 ₽
14024
14025-1646
COVER,THROTTLE CASE U
626 ₽
27010
27010-1350
SWITCH,ENGINE STOP
3 598 ₽
32099
32099-1036
CASE,THROTTLE UPP
2 329 ₽
32099
32099-0038
CASE,THROTTLE,LWR
1 028 ₽
46003
46003-1310-CC
HANDLE,L.GREEN
46012
46012-1191
HOLDER-HANDLE
1 895 ₽
46019
46019-1054
Poignée d'accélérateur
2 880 ₽
46075
46075-1024
Poignées (LH)
1 623 ₽
46076
46076-1118
Levier embrayage
46092
46092-0045
Levier embrayage
2 410 ₽
49006
49006-1017
BOOTS,LEVER HOLDER
1 279 ₽
49006
49006-1097
BOOT,THROTTLE CASE
1 189 ₽
59101
59101-1110
REEL,THROTTLE
744 ₽
92002
92002-1150
BOLT,LEVER SET
402 ₽
92007
46055-010
SCREW,CABLE ADJUST
1 847 ₽
92015
46056-006
NUT,CABLE ADJUST NUT
579 ₽
92015
92019-008
Nut
238 ₽

Узлы для