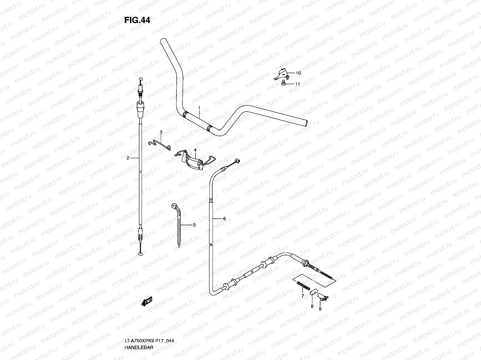
РУЛЬ для LT-A750XP K9 (P17) SUZUKI

HANDLE BAR
1
56111-31G30
Handlebar lt-a7
Цена по
запросу
2
58300-31G21
Câble de gaz
Цена по
запросу
3
58626-31G00
uide,throttle
Цена по
запросу
4
58620-31G20
uide comp,cabl
Цена по
запросу
5
09407-18402
Струбцина (L:165)
211 ₽
6
58810-31G20
Cable comp,park
Цена по
запросу
7
09440-08042
Spring
Цена по
запросу
8
Цена по
запросу
9
Цена по
запросу
10
58620-31G10
uide,parking c
Цена по
запросу
11
03541-0616B
Винт
1 370 ₽

Узлы для