GENERATOR/STARTING MOTOR - A03FA09CA/CC/CD (4978857885C02) | GENERATOR/STARTING MOTOR - A03FA09CA/CC/CD (4978857885C02)

GENERATOR/STARTING MOTOR - A03FA09CA/CC/CD (4978857885C02) | GENERATOR/STARTING MOTOR - A03FA09CA/CC/CD (4978857885C02)
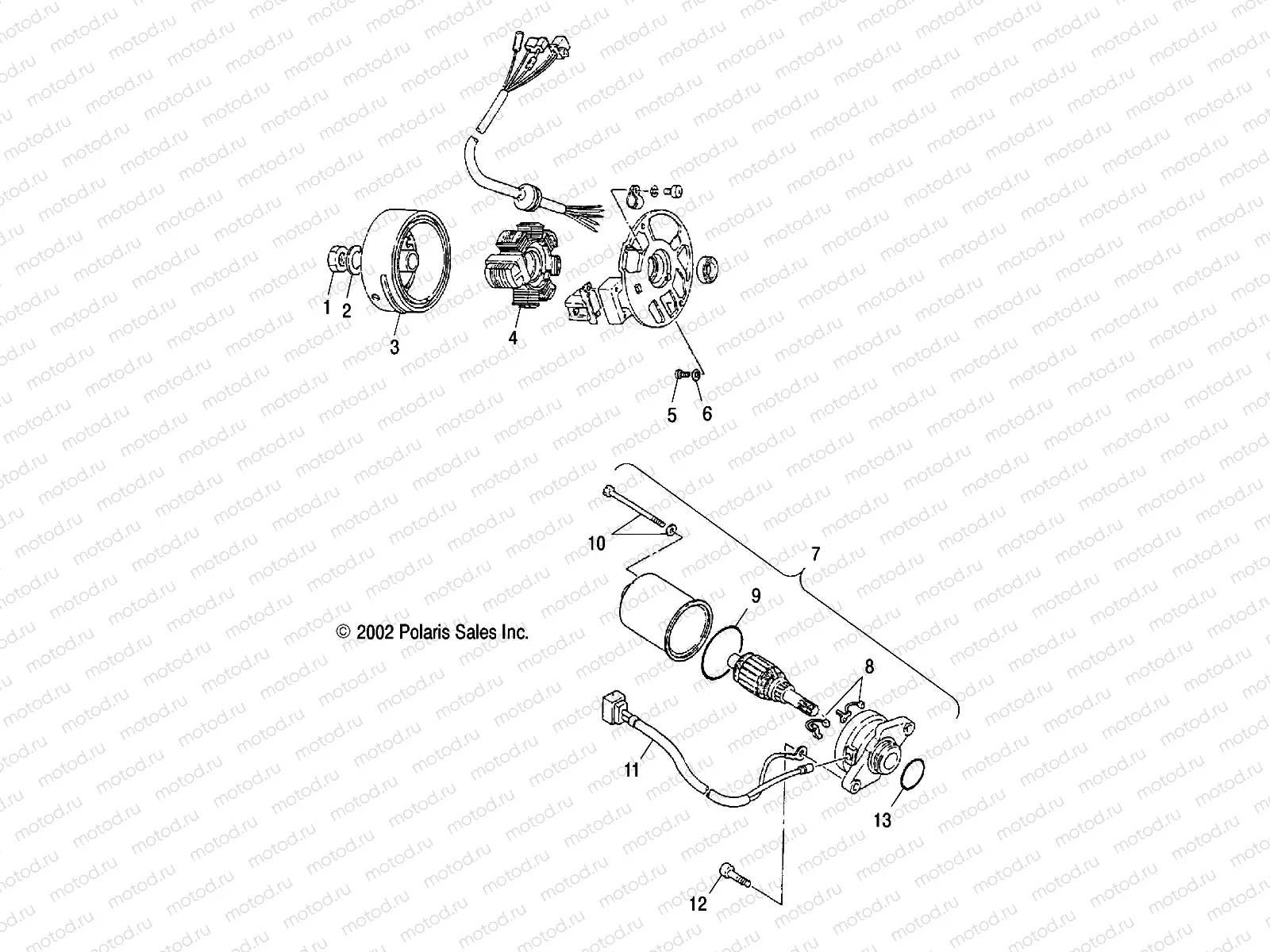
1
0450529
NUT-FLANGE
Цена по
запросу
2
0450545
WASHER-PLAIN 94111-1220030
Цена по
запросу
3
0450525
FLYWHEEL 31110-117-000
Цена по
запросу
4
0450998
STATOR
Цена по
запросу
5
0450033
BOLT-SOCKET HEX
Цена по
запросу
6
0450034
WASHER-PLAIN
Цена по
запросу
7
0451692
STARTER ASM.
Цена по
запросу
8
0450535
SET-BRUSH 31201-117-000
Цена по
запросу
9
0450537
RING-OIL 91342-117-000
Цена по
запросу
10
0453849
BOLT-SET STARTER
Цена по
запросу
11
0450857
CORD-31202-117-000
Цена по
запросу
12
0450039
BOLT-SOCKET
Цена по
запросу
13
0450539
RING-OIL 91323-117-000
Цена по
запросу

Узлы для