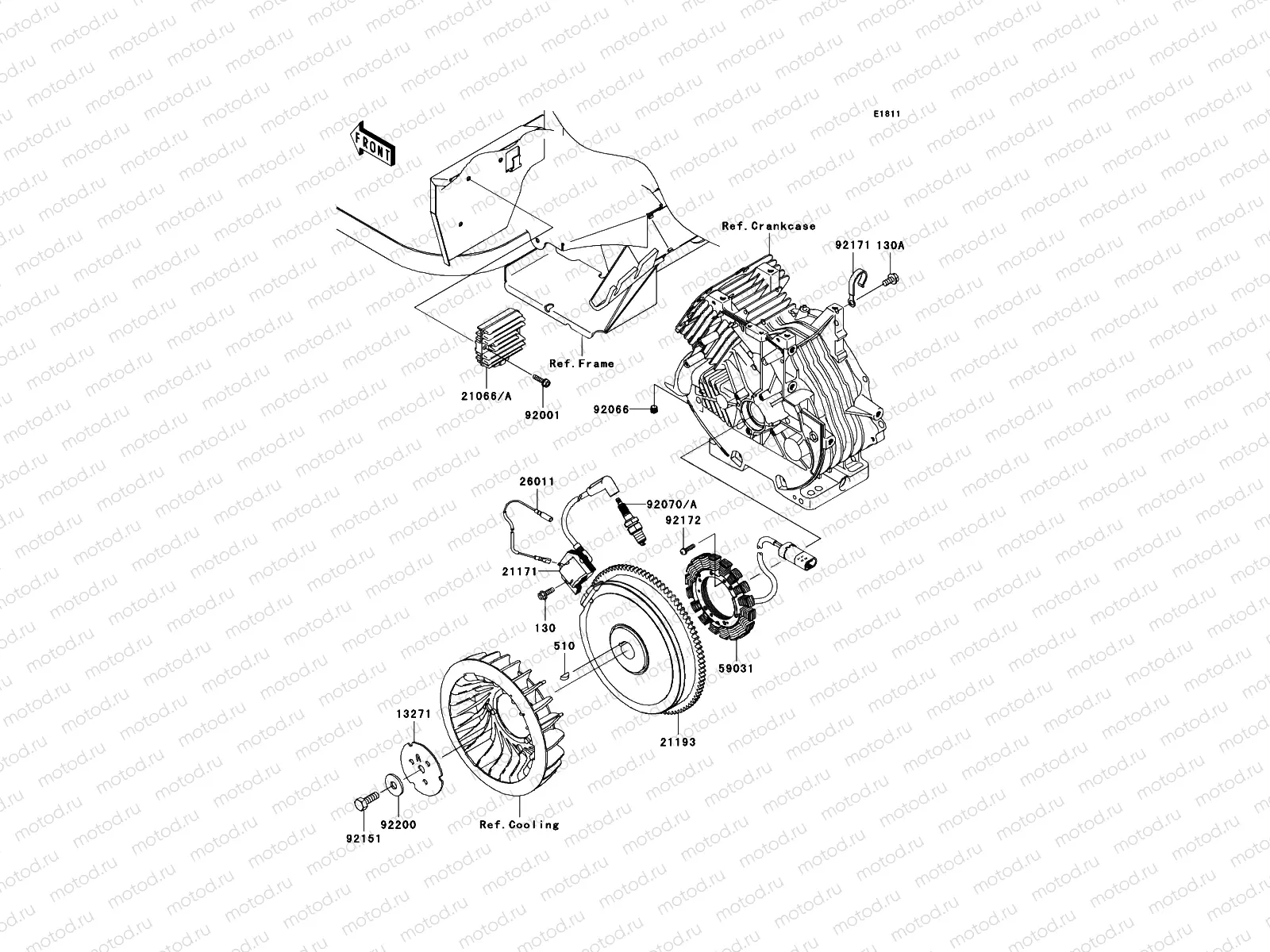
Generator/Ignition Coil

Generator/Ignition Coil
130
130AA-0620
Vis
113 ₽
130
130AA-0816
Vis
128 ₽
510
510A5-100
WOODRUFF KEY
338 ₽
13271
13271-7029
PLATE,FAN
Цена по
запросу
21066
21066-0010
Régulateur de tension
Цена по
запросу
21171
21171-7035
Bobine d'allumage
Цена по
запросу
21193
21193-0041
FLYWHEEL-ASSY
Цена по
запросу
26011
26011-7014
WIRE-LEAD
Цена по
запросу
59031
59031-2132
COIL-CHARGING
Цена по
запросу
92001
92001-1352
Vis
253 ₽
92066
92066-7026
PLUG
Цена по
запросу
92070
BPR5E-S
ougie d'allumage
Цена по
запросу
92151
92154-7003
BOLT,12X30
Цена по
запросу
92171
92171-7005
Collier
Цена по
запросу
92172
92172-7018
SCREW,5X20
Цена по
запросу
92200
92200-7002
Rondelle
Цена по
запросу

Узлы для