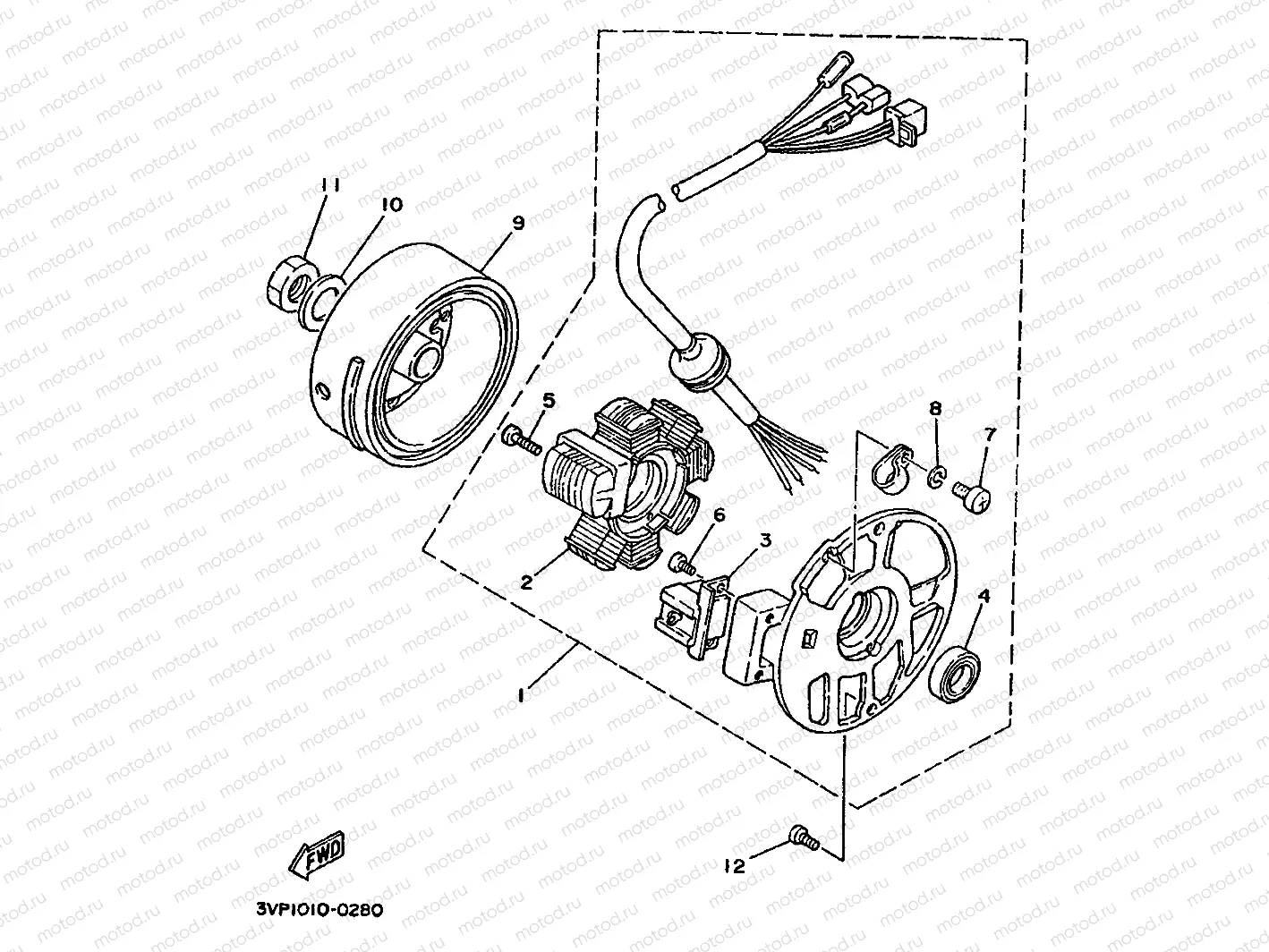
ГЕНЕРАТОР для YE50 (4EE1) 1992 YAMAHA Zest 50 YE

GENERATOR
1
4CU-85560-00
BASE ASSY
Цена по
запросу
2
3VP-81403-00
Statorcomp
14 827 ₽
3
2JA-85580-M0
Coil, Pulser
4 998 ₽
4
93104-19097
Сальник
477 ₽
5
98517-05020
Винт
191 ₽
6
97885-05010
Винт
95 ₽
7
98517-04016
Винт
120 ₽
8
92990-04100
Шайба
111 ₽
9
2JA-85550-02
Rotor Assy
10 362 ₽
10
92990-10600
Шайба
95 ₽
11
90170-10011
Гайка
127 ₽
12
98517-06020
Винт
104 ₽

Узлы для