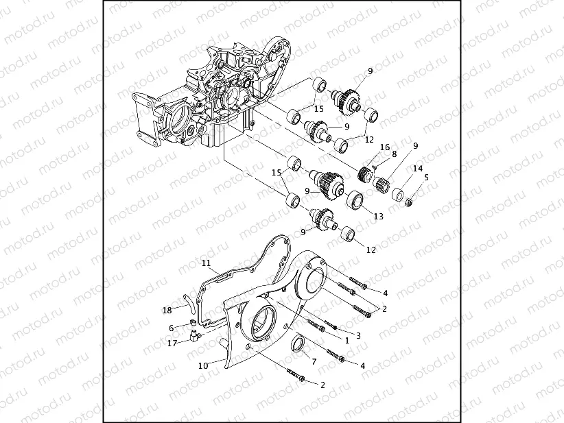
РЕДУКТОР И КРЫШКА для SPORTSTER 1200 CUSTOM - XL1200C Harley-Davidson 2002 SPORTSTER

GEARCASE & COVER
1
3480A
SCREW, SEM HEX SOCKET HEAD CAP
Цена по
запросу
2
4717A
SCREW,HEX SCKT,SEMS/LOCK
Цена по
запросу
3
4740A
SCREW, HEX SOCKET SEMS
Цена по
запросу
4
4820A
SCREW,HEX SCKT,SEMS/LOCK
Цена по
запросу
5
7916A
NUT, JAM
Цена по
запросу
6
10117
Collier
Цена по
запросу
7
11124
OIL SEAL
Цена по
запросу
8
11317
KEY,SQUARE
Цена по
запросу
9
25193-00B
PINION AND D CAM GEAR SET
Цена по
запросу
9
25194-00B
PINION AND W CAM GEAR SET
Цена по
запросу
10
25307-99YA
GEAR COVER, BLACK
Цена по
запросу
11
25263-90D
Gasket
Цена по
запросу
12
25586-37
BUSHING, GEAR COVER
Цена по
запросу
13
25588-91
BUSHING, GEAR COVER
Цена по
запросу
14
25593-74
BUSHING
Цена по
запросу
15
25598-91
BUSHING, CAM GEAR SHAFT
Цена по
запросу
16
26318-88A
GEAR, OIL PUMP DRIVE
Цена по
запросу
17
62375-57A
ELBOW
Цена по
запросу
18
63501-68B
FUEL HOSE, RUBBER
Цена по
запросу

Узлы для