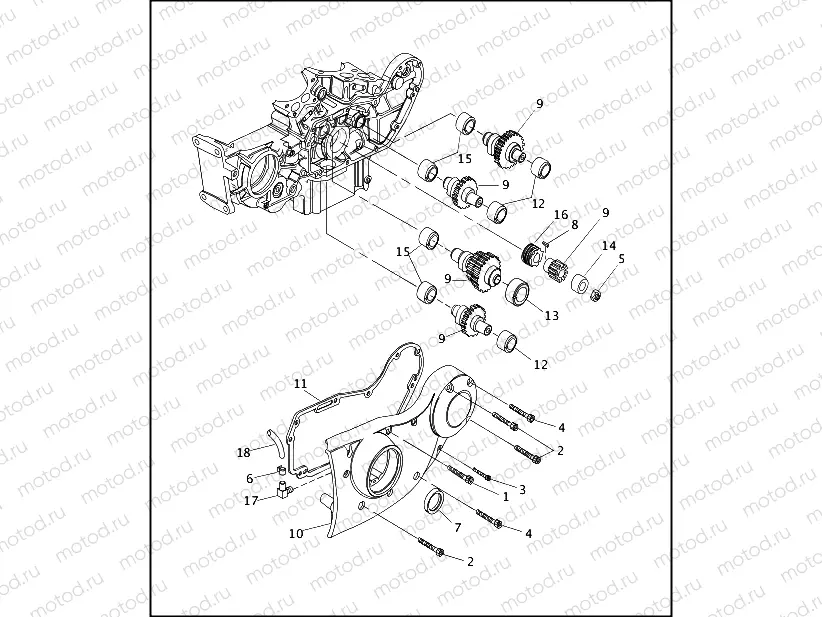
GEARCASE & COVER

GEARCASE & COVER
1
3480A
SCREW, SEM HEX SOCKET HEAD CAP
2
4717A
SCREW,HEX SCKT,SEMS/LOCK
3
4740A
SCREW, HEX SOCKET SEMS
4
4820A
SCREW,HEX SCKT,SEMS/LOCK
5
7916A
NUT, JAM
6
10117
Collier
7
11124
OIL SEAL
8
11317
KEY,SQUARE
9
25193-00B
PINION AND D CAM GEAR SET
9
25194-00B
PINION AND W CAM GEAR SET
10
COVER ASSEMBLY, gearcase, w/ 11124 & 62375-57A (chrome)
10
COVER ASSEMBLY, gearcase, w/ 11124 & 62375-57A (polished)
10
COVER ASSEMBLY, gearcase, w/ 11124 & 62375-57A (silver)
11
25263-90D
Gasket
12
25586-37
BUSHING, GEAR COVER
13
25588-91
BUSHING, GEAR COVER
14
25593-74
BUSHING
15
25598-91
BUSHING, CAM GEAR SHAFT
16
26318-88A
GEAR, OIL PUMP DRIVE
17
62375-57A
ELBOW
18
63501-68B
FUEL HOSE, RUBBER

Узлы для