GEAR SHIFTING

GEAR SHIFTING
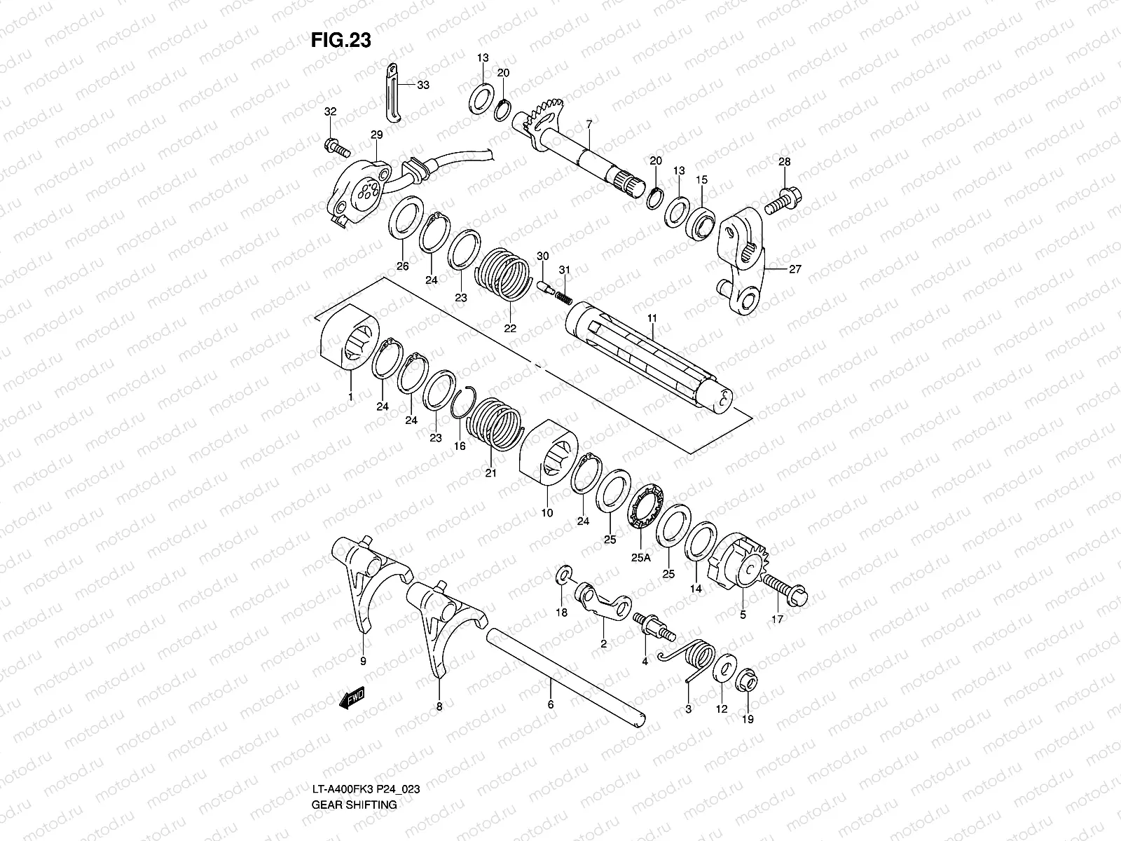
1
25321-38F10
Cam,reverse gea
Цена по
запросу
2
25350-26D01
STOPPER,GEAR SHIFT CAM
1 071 ₽
3
25355-38F00
SPRING,GEAR SHIFT CAM STOPPER
289 ₽
4
25356-12C00
SUPPORT,CAM STOPPER ARM
833 ₽
5
25381-38F00
Plate,gr shift
Цена по
запросу
6
25411-18900
SHAFT,GEAR SHIFT FORK
1 150 ₽
7
25510-38F00
Shaft,sub t/m g
Цена по
запросу
8
29510-38F10
ork,gear shift
Цена по
запросу
9
29510-38F10
ork,gear shift
Цена по
запросу
10
29611-38F10
Cam,sub t/m gea
Цена по
запросу
11
SHAFT, GEAR SHIFT
Цена по
запросу
12
09160-06022
Шайба
1 210 ₽
13
09181-12167
Шайба
194 ₽
14
09181-20158
Шайба
1 520 ₽
15
09285-12006
САЛЬНИК ТРАНСМИССИИ, РЕЗИНА
275 ₽
16
09380-25012
CIRCLIP
1 210 ₽
17
01550-0625A
Болт
102 ₽
18
08211-06141
Шайба
1 170 ₽
19
08316-1006A
Гайка
85 ₽
20
08331-3112A
Кольцо стопорное
97 ₽
21
29612-38F00
Spring,sub t/m
Цена по
запросу
22
29612-38F00
Spring,sub t/m
Цена по
запросу
23
09181-25139
ШАЙБА
1 720 ₽
24
08331-31259
CIRCLIP
146 ₽
25
09263-20014
Roller bearing
Цена по
запросу
25
09181-20251
Шайба (T:1.0)
172 ₽
26
09181-25167
Шайба
194 ₽
27
25360-38F00
Arm,select
Цена по
запросу
28
01550-0620A
Болт
81 ₽
29
37720-38F00
Base assy,gear
Цена по
запросу
30
09209-05011
ШТИФТ
178 ₽
31
09440-04010
ПРУЖИНА
113 ₽
32
07120-0516B
БОЛТ
1 520 ₽
33
09404-06039
Clamp(L:65)
194 ₽

Узлы для