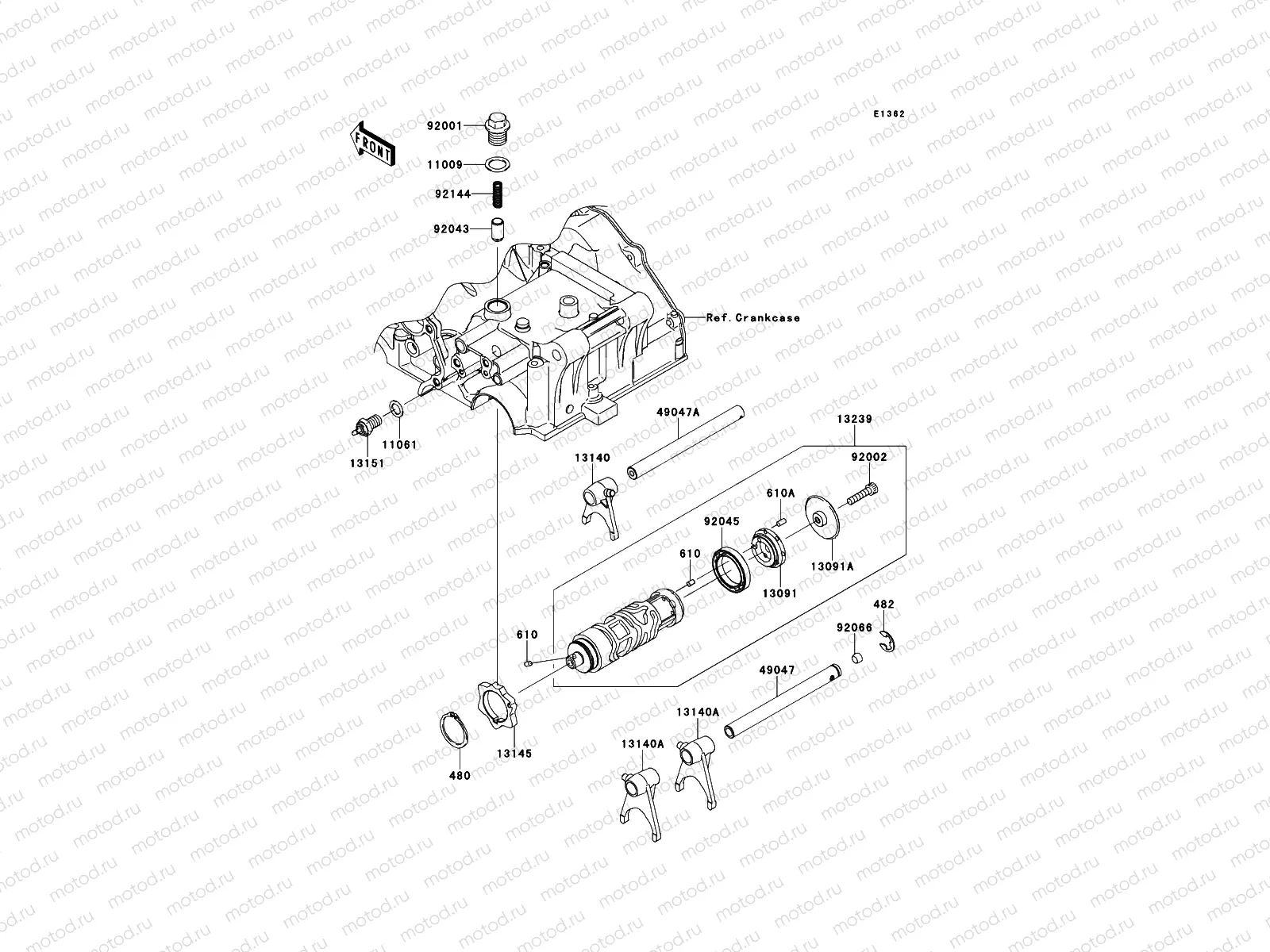
Gear Change Drum/Shift Fork(s)

Gear Change Drum/Shift Fork(s)
480
480J3-000
Seeger
134 ₽
482
482J0-100
Seeger
97 ₽
610
610A0-406
ROLLER,4X6
74 ₽
610
610A0-408
ROLLER,4X8
80 ₽
11009
11009-1008
GASKET,15.5X22X1
274 ₽
11061
11061-0373
GASKET,10.5X16X1
193 ₽
13091
13280-0368
HOLDER
2 426 ₽
13091
13091-1464
HOLDER,CHANGE DRUM
546 ₽
13140
13140-1148
FORK-SHIFT,IN
5 670 ₽
13140
13140-1149
FORK-SHIFT,OUT
5 670 ₽
13145
13145-1058
CAM-CHANGE DRUM
1 479 ₽
13151
13151-1080
Swich Neutral light
1 590 ₽
13239
13239-0036
DRUM-ASSY-CHANGE
15 647 ₽
49047
49047-0035
ROD-SHIFT
1 751 ₽
49047
49047-1095
ROD-SHIFT,IN
1 751 ₽
92001
92001-1037
BOLT,NEUTAL POSITION
836 ₽
92002
92154-0477
Vis (6x25)
80 ₽
92043
92043-076
PIN-NEUTRAL PISTON
690 ₽
92045
92045-0826
Roulement
3 598 ₽
92066
92066-1246
PLUG
257 ₽
92144
92144-1580
SPRING
402 ₽

Узлы для