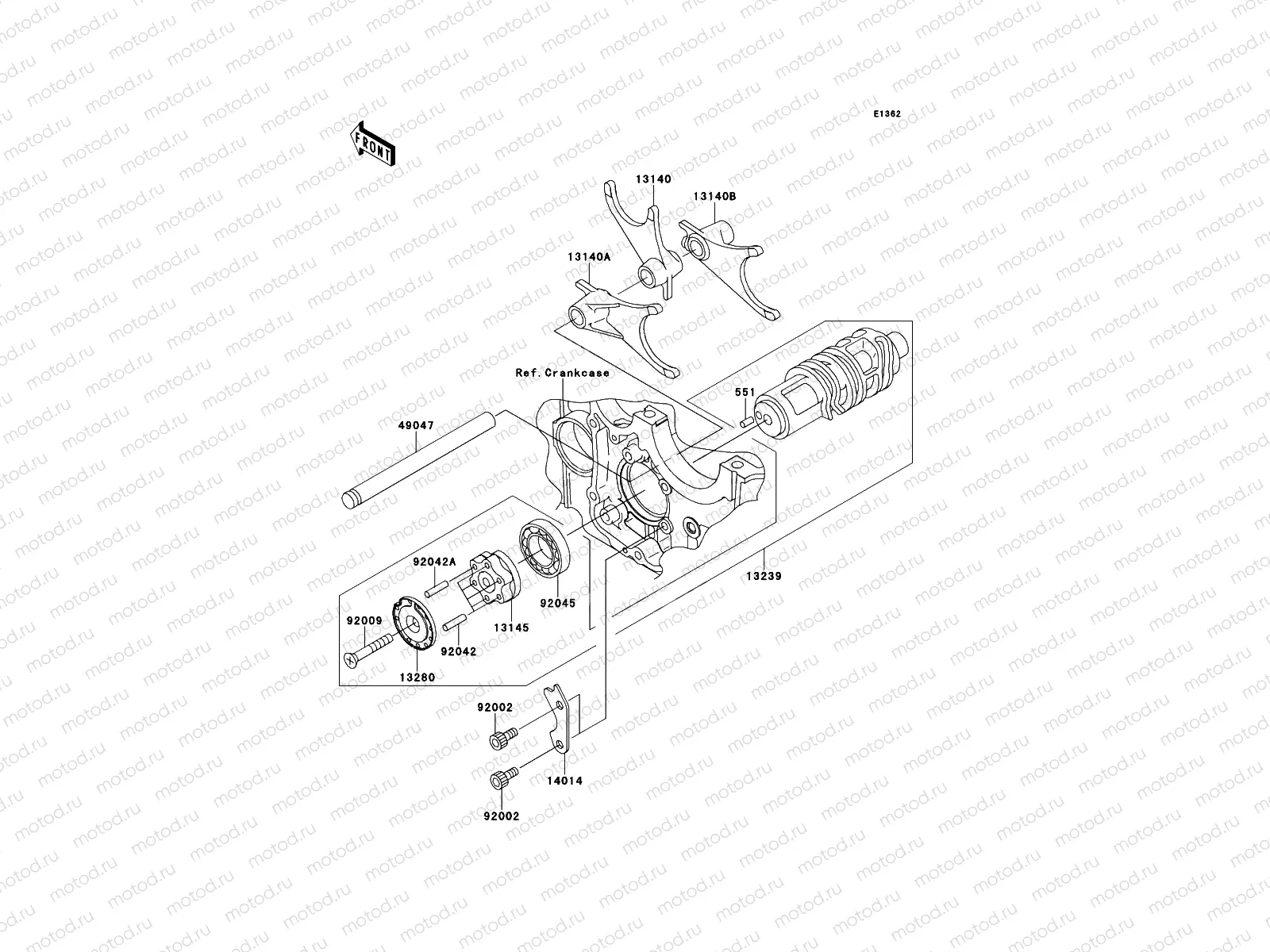
Gear Change Drum/Shift Fork(s)

Gear Change Drum/Shift Fork(s)
551
551A0-408
10 pc - Dowel pin
177 ₽/шт
13140
13140-1196
FORK-SHIFT
6 570 ₽/шт
13140
13140-1197
FORK-SHIFT
6 570 ₽/шт
13140
13140-1198
FORK-SHIFT
6 570 ₽/шт
13145
13145-1091
CAM-CHANGE DRUM
3 374 ₽/шт
13239
13239-1212
DRUM-ASSY-CHANGE
13280
13280-1230
HOLDER
1 510 ₽/шт
14014
14014-1059
PLATE-POSITION,CHANGE
948 ₽/шт
49047
49047-1055
ROD-SHIFT
2 265 ₽/шт
92002
92002-1778
Vis (6x16)
289 ₽/шт
92009
92009-1599
SCREW
241 ₽/шт
92042
92042-014
5 pc - Dowel pin
113 ₽/шт
92042
92042-020
Dowel pin
289 ₽/шт
92045
92045-1045
Roulement
1 911 ₽/шт

Узлы для