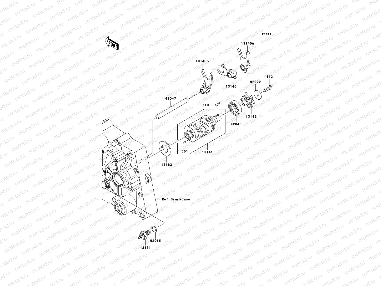
Gear Change Drum/Shift Fork(s)

Gear Change Drum/Shift Fork(s)
112
112CA-0620
BOLT-UPSET
97 ₽
510
510A3-200
pc - WOODRUFF KEY
312 ₽
551
92043-0919
Dowel pin
Цена по
запросу
13140
13140-0051
FORK-SHIFT,INPUT
2 939 ₽
13140
13140-0052
FORK-SHIFT,OUTPUT RH
2 939 ₽
13140
13140-0053
FORK-SHIFT,OUTPUT LH
2 939 ₽
13141
13141-0572
DRUM-CHANGE
5 606 ₽
13145
13145-1084
CAM-CHANGE DRUM
2 875 ₽
13151
13151-1099
Swich Neutral light
321 ₽
13183
13183-1066
PLATE
1 077 ₽
49047
49047-1094
ROD-SHIFT
515 ₽
92022
92022-1690
WASHER
289 ₽
92045
92045-0126
Roulement
1 382 ₽
92065
92065-058
Rondelle
253 ₽

Узлы для