Fuel Tank Assembly (4913491349009A) | Fuel Tank Assembly (4913491349009A)

Fuel Tank Assembly (4913491349009A) | Fuel Tank Assembly (4913491349009A)
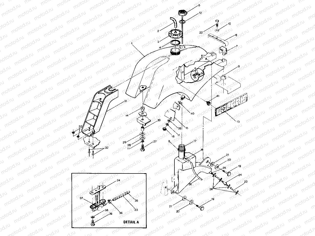
1
5430839
TANK,GAS,BLUE
Цена по
запросу
2
5521154
LINE, VENT Substituted by 5521171
Цена по
запросу
3
5430799
CAP, GAS TANK [No Longer Available]
Цена по
запросу
4
5810288
GASKET, GAS CAP
Цена по
запросу
5
5810141
GASKET-OIL CAP
Цена по
запросу
5
5430801
DIPSTICK, OIL
Цена по
запросу
5
2511162
CAP/DIPSTICK, OIL [No Longer Available]
Цена по
запросу
5
5430779
CAP OIL TANK
Цена по
запросу
6
5220674
PLATE,REAR TANK MT.
Цена по
запросу
7
5810317
PAD,FUELTANK BRKT. Substituted by 8360026
Цена по
запросу
8
5810311
PAD,SPOUT,OIL [No Longer Available]
Цена по
запросу
9
5410428
GROMMET,FUEL TANK,REAR
Цена по
запросу
10
7558301
WASHER FLAT
Цена по
запросу
11
7552901
Rondelle (Lock)
Цена по
запросу
13
5430864
LOGO,'POLARIS'
Цена по
запросу
14
5410449
GROMMET,FUEL TANK,FRONT
Цена по
запросу
15
5850070
FLAP,SPLASHGUARD
Цена по
запросу
16
7542301
NUT HEX
Цена по
запросу
17
5430762
TANK,OIL, 3&4 WHL.
Цена по
запросу
19
7512113
Vis
Цена по
запросу
20
7552801
Rondelle (Lock)
Цена по
запросу
21
7558302
WASHER WROUGHT
Цена по
запросу
22
7512252
SCREW(10)
Цена по
запросу
23
8450037-600
FUEL LINE 3/16 ID(600 CM.)
Цена по
запросу
24
2530009
Filtre à carburant (IN-LINE)
Цена по
запросу
25
7052023
FITTING - OUTLET
Цена по
запросу
26
9990000
Suspension, Rear
Цена по
запросу
27
7512317
SCREW(10) Substituted by 5020499
Цена по
запросу
28
7555716
Rondelle
Цена по
запросу
29
5410430
WASHER, RUBBER
Цена по
запросу
30
5330161
SPACER,MOUNTING
Цена по
запросу
31
5430765
LOUVER,AIR INTAKE
Цена по
запросу
32
7621457
RIVET
Цена по
запросу
33
7558212
WASHER 13/64X1/2X18GA FL-Y (10
Цена по
запросу
34
5810308
GASKET, FUEL VALVE
Цена по
запросу
35
7042030
Spring
Цена по
запросу
36
7080134
CLAMP-HOSE(10)
Цена по
запросу
37
7052041
VALVE FUEL TANK
Цена по
запросу
39
7512261
Vis
Цена по
запросу
40
5410450
WASHER, RUBBER
Цена по
запросу
41
7670052
CLIP, PUSH-ON(10)
Цена по
запросу

Узлы для