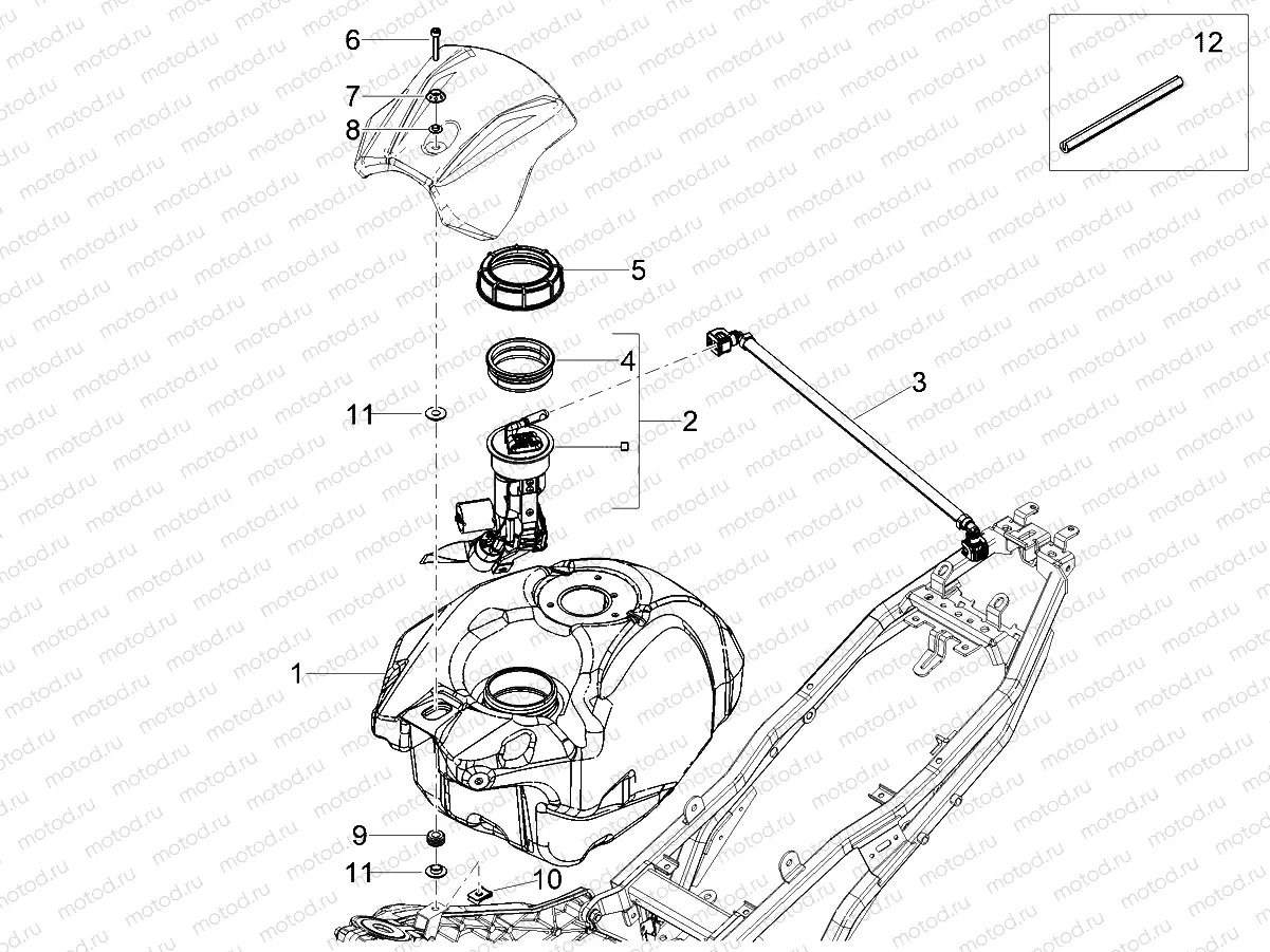
ТОПЛИВНЫЙ БАК для RS 125 4T ABS Replica APRILIA RS 125 (VIN: ZD4XAA00)

Fuel tank
1
2B008201
SERBATOIO CARBURANTE GREZZO
Цена по
запросу
2
2D000605
POMPA BENZINA
Цена по
запросу
3
2B008232
TUBO CARBURANTE COMPLETO
Цена по
запросу
4
656003
Gasket
Цена по
запросу
5
576546
Ring nut
Цена по
запросу
6
AP8150285
pc - Vis
Цена по
запросу
7
AP8150536
Rondelle
Цена по
запросу
8
AP8121032
5 pc - Entretoise
Цена по
запросу
9
AP8144713
Rubber spacer
Цена по
запросу
10
254485
Clip nuts (M6)
Цена по
запросу
11
898715
Entretoise
Цена по
запросу
12
2B000909
Gasket
Цена по
запросу

Узлы для